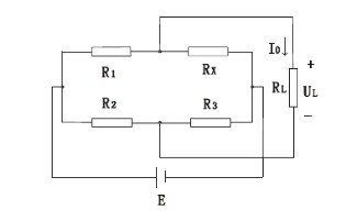
非平衡電橋分以下3種:
1、等臂電橋
電橋中的四個橋臂阻值相等,即R1=R2=R3=Rx。這是電橋處于平衡狀態,UL=0。
2、 臥式電橋也稱輸出對稱電橋
電橋的橋臂對稱相等,即R1=R3;R2=Rx。
3、立式電橋也稱電源對稱電橋
R1=R2;R3=Rx。
.jpeg)
最小二乘法
維基百科,自由的百科全書
最小二乘法(又稱最小平方法)是一種數學優化技術。它通過最小化誤差的平方和尋找數據的最佳函數匹配。
利用最小二乘法可以簡便地求得未知的數據,并使得這些求得的數據與實際數據之間誤差的平方和為最小。
某次實驗得到了四個數據點
:
、
、
、
(右圖中紅色的點)。我們希望找出一條和這四個點最匹配的直線 
,即找出在某種“最佳情況”下能夠大致符合如下超定線性方程組的
和 
:
最小二乘法采用的手段是盡量使得等號兩邊的方差最小,也就是找出這個函數的最小值:
最小值可以通過對
分別求
和
的偏導數,然后使它們等于零得到。
如此就得到了一個只有兩個未知數的方程組,很容易就可以解出:

.png)
.png)




.png)