電阻是表示導體對電流阻礙作用的大小,符號是“R”。電阻是一種使用得最多的電子元件,我幾乎沒有看到過一種沒有內含電阻的電子設備。顧名思義電阻主要是阻礙電流,下面我們對這個問題詳細分析一下.
通過用電器的電流不超過額定值或實際工作需要的規定值,以保證用電器的正常工作,通常可在電路中串聯一個可變電阻。當改變這個電阻的大小時,電流的大小也隨之改變。我們把這種可以限制電流大小的電阻叫做限流電阻。
圖1所示,在給蓄電池充電的電路中,為了使充電電流不超過規定值,可在電路中接入限流的電阻。在充電過程中,適當調節接入電阻的大小,可使電流的大小保持穩定。再如在可調光臺燈的電路中,為了控制燈泡的亮度,也可在電路中接入一個限流電阻,通過調節接入電阻的大小,來控制電路中電流的大小,從而控制燈泡的亮度。
三. 電阻的分壓作用
一般用電器上都標有額定電壓值,若電源比用電器的額定電壓高,則不可把用電器直接接在電源上。在這種情況下,可給用電器串接一個合適阻值的電阻,讓它分擔一部分電壓,用電器便能在額定電壓下工作。我們稱這樣的電阻為分壓電阻。如圖4所示的電路,當接入合適的分壓電阻后,額定電壓為3V的電燈便可接入電壓為12V的電源上。又如我們常用的測電筆里有一個阻值很大的高電阻,它也是一個分壓電阻。人體的電阻一般為高電阻的 ,這樣人站在地面上用測電筆接觸220的電源,那么測電筆中高電阻分壓約為200V,人體承受的電壓就只有20V,低于36V,這樣就沒有觸電的危險了。再如在缺電流表測待測電阻的實驗設計中,也常使用分壓電阻與待測電阻串聯,再利用分壓公式,便可求出待測電阻的阻值了。(電路圖設計如圖5所示)
圖4
四. 電阻還有將電能轉化為內能的作用
電流通過電阻時,會把電能全部(或部分)轉化為內能。用來把電能轉化為內能的用電器叫電熱器。如電烙鐵、電爐、電飯煲、取暖器等等
0歐姆電阻的作用:
1,在電路中沒有任何功能,只是在PCB上為了調試方便或兼容設計等原因。
2,可以做跳線用,如果某段線路不用,直接不貼該電阻即可(不影響外觀)
3,在匹配電路參數不確定的時候,以0歐姆代替,實際調試的時候,確定參數,再以具體數值的元件代替。
4,想測某部分電路的耗電流的時候,可以去掉0ohm電阻,接上電流表,這樣方便測耗電流。
5,在布線時,如果實在布不過去了,也可以加一個0歐的電阻
6,在高頻信號下,充當電感或電容。(與外部電路特性有關)電感用,主要是解決EMC問題。如地與地,電源和IC Pin間
7,單點接地(指保護接地、工作接地、直流接地在設備上相互分開,各自成為獨立系統。)
8,熔絲作用
二. 電阻的分流作用
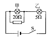
當在電路的干路上需同時接入幾個額定電流不同的用電器時,可以在額定電流較小的用電器兩端并聯接入一個電阻,這個電阻的作用是“分流”。例如:有甲、乙兩個燈泡,額定電流分別是0.2A和0.4A,顯然兩燈泡不能直接串聯接入同一電路。但若我們在甲燈兩端并聯一個合適的分流電阻(如圖2所示),則當開關S閉合時,甲、乙兩燈便都能正常工作了。
2
再如,在缺電壓表測電阻的實驗設計中,可設計如圖3所示的實驗電路,利用分流電阻R與待測電阻并聯,借助于電流表測干路電流和分流電阻R中的電流,利用并聯分流公式,可求出待測電阻 的阻值。如果只有一個電流表,可將電流表先后接在干路或不同的支路中測出I和 (或 和 或 和 ),也可求出 。
圖
電阻的單位:
國際單位:歐姆,簡稱:歐(Ω)。
常用單位:兆歐(MΩ),千歐(kΩ)。
1Ω的含義:當導體兩端電壓為1V,通過的電流為1A,這段導體的電阻為1Ω





