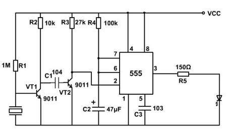
電路工作原理分析:全電路由聲控信號輸入及放大電路與延時控制電路組成。
電路中,VT1、VT2與R1及壓電陶瓷片組成聲控信號輸入與放大電路。當壓電陶瓷接收到一定強度的聲信號后,他會將其轉變為微弱的電信號,這一電信號加至VT1的基極,由VT1進行放大。由VT1放大后的信號經C1耦合至VT2,進行進一步的放大。當壓電陶瓷接收到的聲信號足夠強時,經過兩級晶體管放大電路的放大,就會在VT2的集電極輸出幅度較大的脈沖信號。當信號的脈沖下降沿到來時,由555組成的單穩態電路就會被觸發,發光二極管發光。
555與R4、C2組成單穩態電路,一方面輸出觸發信號,使發光二極管發光;另一方面組成延時控制電路,當到達預定的時間后輸出控制信號使發光二極管熄滅。

.jpeg)
.jpeg)