這是一個簡易的單片機試驗板,自己動手做制作,又增加了動手能力,又對電路有了認識,我以把需要的元件資料寫在下面,和大家分享,如果有不明白的地方,請上單片機論壇。本文的作者是的郭子瑜大俠,qq:122036711.
一、新單片機實驗板功能的說明:
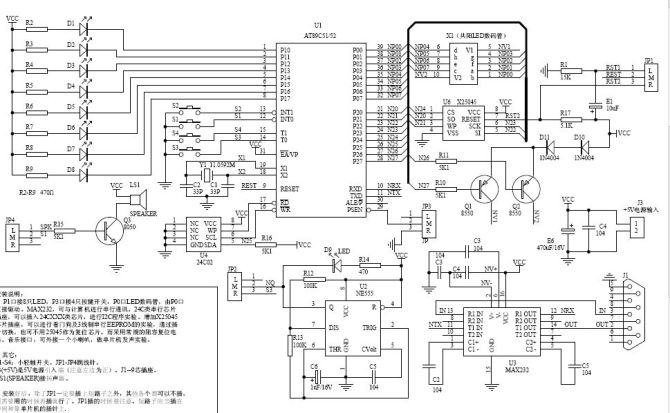
P1口仍接8只LED,P3口仍接4只按鍵開關,P0口和P2口仍接2只LED數碼管,但改為由P0口直接驅動。與原板完全兼容。新增:MAX232,可與計算機進行串行通訊,將來會考慮加入MON51支持。24C類串行芯片插座,可以插入24CXXX類芯片,進行I2C程序實驗。增加X25045芯片插座,可以進行看門狗及3線制串行EEPROM的實驗,通過插針切換,也可不用25045作為復位芯片,而采用常規的阻容復位電路。音樂接口,可外接一個小喇叭,做單片機發聲實驗。。http://m.raoushi.com的版主打算就用這塊板替代原實驗板,并用它為藍本編一些C語言講座。
二、單片機實驗板制作組裝說明:
1、元件值:
1)電阻:R1:15K,R2-R9:470毆姆,R10、R11:5K1,R12、R13:100K,R14:470毆姆; R15、R16、R17:5K1
說明:如果你采用電子設計工具的51EMB-32K作為你的學習工具,那么,將R5用2K替代。由于51EMB-32K設計時將P1。3與輸出端之間接了一個1K的電阻,如果直接用470毆姆的電阻接入的話,51EMB-32K將始終無法進入仿真狀態,除非你人為地將P13用導線直接接地,那太麻煩了。采用這種方法后,就可以按普通的方法使用51EMB-32K了。由此產生的不良影響是:接在P13上的LED的亮度低了,好在這不是什么大問題。如果是我裝出去的板子,由于采用的是高亮白發紅發光管,如果不太注意的話,還不太看得出來呢。
2)電容:E2、E3、E4、E5原來用22微法的電解,經實驗,市場上可以買到的幾種232芯片,都只要用104的磁片就可以正常使用了,所以這幾只電容請用104的磁片,體積盡量小些,特別是管腳間距要小一點。有一種市售的104的小磁片,體積很小,而管腳也很小,正好能放進去,很漂亮,只是比一般體積大一些的稍貴幾分錢一個。 E1:10微法,C6:1微法,E6:1000微法/16V。C5:0。01微法。 C1、C2:18到47P之間取值,常用27P左右的。C3、C4:104。
3)其它: S1-S4:小輕觸開關。D10、D11:1N4004。D1-D9:發光二極管,選用高亮白發紅的比較漂亮。Q1、Q2:8550 PNP型三極管,Q3:8050型三極管 LS1:蜂鳴器,可惜我怎么也找不到無源的了,所以只好空著,可以直接從LS1的兩個引腳上接兩根線,接個小揚聲器,做音響實驗。JP1-JP4跳線針。J3是電源引出端,我沒找到什么價廉的引線的東西,只好直接用線連了,很容易斷,用的時候要小心。X1:雙0。4英寸的共陽LED顯示器,買的時候注意對一下大小。J1:9芯插座,注意購買時買好一對。我裝在板上的是公的,這樣做電纜時,兩邊都是母的,就不會搞錯了。Y1:晶振,用11.0592M的,便于調試串口,最好是用臥式晶振,否則用單片機仿真器時,可能會礙事。
2、單片機實驗板制作注意事項:實驗板上還是有兩處有錯誤,就是E1和C6,正極標錯了,E1應當是正極在左邊,而C6應當是正極在上方。LED顯示器安裝時注意小數點在下(印制板上有一個小的白色小點,就是指小數點)。 安裝好后,除了JP1一定要插上短路子之外,其他各個都可以不插,到需要用的時候再插就行了,JP1插的時候要注意,短路子應當插在中間和靠左邊的插針上。
以上所說方向均以集成電路缺口朝上為正。
看完了本文希望你能成功的制作出一款屬于自己的單片機實驗板,記得有問題請來http://m.raoushi.com/bbs/ 單片機論壇來,我們為您解決。

<單片機實驗板電路圖>
好了今天就寫到這里。
