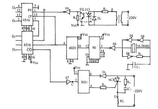
可控硅在工業控制領域有著廣泛的應用,利用數字控制可控硅導通用的數字可控硅觸發電路具有可靠性高的特點在此基礎上我們采取了下面兩條措施,設計了一種實用的數控可控硅觸發電路,如圖1所示首先采用石英晶體振蕩器作計數脈沖振蕩源由于它產生的脈沖序列頻率穩定度很高(達10 -5次方以上).因此使相位分辨率的實際位接近其理論公,從而保證了高控制精度的實現;其次,采用光電鋁合器將觸發電路和生電路之間隔離,能夠避免電源畸變和電網電壓波動的影響,提高了該觸發電路的抗干擾能力.
該可控硅觸發電路包括四個部分:計數振蕩脈沖生成電路、同步電路、計數器和可控硅驅動電路由石英晶體振蕩器〔其頻率為16.384MH和反相器74ls04等構成的振蕩源產生的振蕩脈沖,經十進制計數器79LS90和14位二進制串行計數器/分頻器CC4020六十四分頻后得到頻率為25.6KHz的振蕩脈沖給cc4516的cp端計數. 經同步變壓器得到的交流電壓ua,如圖2a所示,通過由光電擁合器til113等組成的同步電路,形成矩形脈沖序列Ub,如圖2(b)所示:ub送可預置效4位二進制加了減計數器cc4516的預置端PE,當PE=1預置數輸入,當Pe=O,計數器開始計數,til113的隔離作用,用來避免電源漪變和電網電壓波動的影響,增強了數字雙向可控硅觸發電路抗干擾能力
由兩片CC4516組成的8位二進制加法計數器,它便可控硅全導通的數值對應為FFH等于十進制數255使可控硅關斷的數值對應為0。由于計數脈沖頻率為25.6KHz,因此,理論上在180度內應該有25600/(2*50)=256個計數脈沖相位分辨率為180/256=0.7了計數脈沖頂率穩定度越高,和位分辨率的實際值越接近理論位采用石英晶體振蕩器作計數脈沖振蕩滌,由于它產生的脈沖序列頻率穩定度高達10負5次方以上.因此使相讓分辨率的實際值接近其理論道,從而保證了高控制精度的實現。當預置數為a時,計數器必須加上255-a個脈沖后它的巴西端輸出負脈沖,經驅動器74ls07后,送給光電耦合moc3021的腳2,觸發可控硅.負載Rl得電圖2中的uc,是預置數為128 記計數器加上127個脈沖時co端輸出負脈沖(其寬度等于25.6KHz的倒數。使負載RL得Ud如圖2所示
光電耦合器Moc3021和可控硅SCR組成驅動電路當moc321的腳2為低電平時,腳4和腳6之間的電壓稍過0時內部可控硅導通,觸發外部可控硅SCR導通負載Rl壓得電.當腳2為高電平時,SCR被關斷。與SCR并聯的R5和c2.用于降低可控硅所受到的沖擊電壓,保護SCR和MOC3021,moc3021將輸出強信號進行隔離,與til113的隔離作用,用來避免源畸變和電網電壓波動的影響,增強了電路抗干擾能力。
該可控硅觸發電路的特點是可靠性和控制精度高,抗干擾能力強它曾用于微機配料系統電磁振動機械的控制,運行實踐表明該電路達到了設計要求,是一種實用的數控雙向可控硅觸發電路。


