試驗任務:
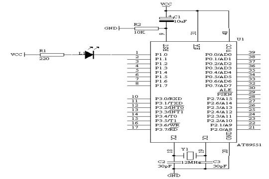
如圖4.1.1所示:在單片機P1.0端口上接一個發光二極管L1,使L1在不停地一亮一滅形成閃爍燈狀態,一亮一滅的時間間隔為0.2秒。
2. 電路原理圖
圖4.1.1
3. 系統板上硬件連線
把“單片機系統”區域中的P1.0端口用導線連接到“八路發光二極管指示模塊”區域中的L1端口上。
4. 程序設計內容
(1). 延時程序的設計方法
作為單片機的指令的執行的時間是很短,數量大微秒級,因此,我們要求的閃爍時間間隔為0.2秒,相對于微秒來說,相差太大,所以我們在執行某一指令時,插入延時程序,來達到我們的要求,但這樣的延時程序是如何設計呢?下面具體介紹其原理:
如圖4.1.1所示的石英晶體為12MHz,因此,1個機器周期為1微
MOV R6,#20 2個 2
D1: MOV R7,#248 2個 2 2+2×248=498 20×
DJNZ R6,D1 2個 2×20=40 10002
因此,上面的延時程序時間為10.002ms。
由以上可知,當R6=10、R7=248時,延時5ms,R6=20、R7=248時,延時10ms,以此為基本的計時單位。如本實驗要求0.2秒=200ms,10ms×R5=200ms,則R5=20,延時子程序如下:
DELAY: MOV R5,#20
D1: MOV R6,#20
D2: MOV R7,#248
DJNZ R7,$
DJNZ R6,D2
DJNZ R5,D1
RET
(2). 輸出控制
如圖1所示,當P1.0端口輸出高電平,即P1.0=1時,根據發光二極管的單向導電性可知,這時發光二極管L1熄滅;當P1.0端口輸出低電平,即P1.0=0時,發光二極管L1亮;我們可以使用SETB P1.0指令使P1.0端口輸出高電平,使用CLR P1.0指令使P1.0端口輸出低電平。
如圖4.1.2所示
圖4.1.2
6. 匯編源程序
ORG 0
START: CLR P1.0
LCALL DELAY
SETB P1.0
LCALL DELAY
LJMP START
DELAY: MOV R5,#20 ;延時子程序,延時0.2秒
D1: MOV R6,#20
D2: MOV R7,#248
DJNZ R7,$
DJNZ R6,D2
DJNZ R5,D1
RET
END
7. C語言源程序
#include <AT89X51.H>
sbit L1=P1^0;
void delay02s(void) //延時0.2秒子程序
{
unsigned char i,j,k;
for(i=20;i>0;i--)
for(j=20;j>0;j--)
for(k=248;k>0;k--);
}
void main(void)
{
while(1)
{
L1=0;
delay02s();
L1=1;
delay02s();
}
}
完畢!您現在會不會制作自己的閃爍燈了呢?轉載請保留版權http://m.raoushi.com



