1. 實驗任務
我們來實現廣告燈利用取表的方法,使端口P1做單一燈的變化:左移2次,右移2次,閃爍2次(延時的時間0.2秒)。
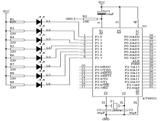
2. 電路原理圖
圖4.5.1
3. 系統板上硬件連線
把“單片機系統”區域中的P1.0-P1.7用8芯排線連接到“八路發光二極管指示模塊”區域中的L1-L8端口上,要求:P1.0對應著L1,P1.1對應著L2,……,P1.7對應著L8。
4. 程序設計內容
在用表格進行程序設計的時候,要用以下的指令來完成
(1). 利用MOV DPTR,#DATA16的指令來使數據指針寄存器指到表的開頭。
(2). 利用MOVC A,@A+DPTR的指令,根據累加器的值再加上DPTR的值,就可以使程序計數器PC指到表格內所要取出的數據。
因此,只要把控制碼建成一個表,而利用MOVC 工,@A+DPTR做取碼的操作,就可方便地處理一些復雜的控制動作,取表過程如下圖所示:
圖4.5.2
6. 匯編源程序
ORG 0
START: MOV DPTR,#TABLE
LOOP: CLR A
MOVC A,@A+DPTR
CJNE A,#01H,LOOP1
JMP START
LOOP1: MOV P1,A
MOV R3,#20
LCALL DELAY
INC DPTR
JMP LOOP
DELAY: MOV R4,#20
D1: MOV R5,#248
DJNZ R5,$
DJNZ R4,D1
DJNZ R3,DELAY
RET
TABLE: DB 0FEH,0FDH,0FBH,0F7H
DB 0EFH,0DFH,0BFH,07FH
DB 0FEH,0FDH,0FBH,0F7H
DB 0EFH,0DFH,0BFH,07FH
DB 07FH,0BFH,0DFH,0EFH
DB 0F7H,0FBH,0FDH,0FEH
DB 07FH,0BFH,0DFH,0EFH
DB 0F7H,0FBH,0FDH,0FEH
DB 00H, 0FFH,00H, 0FFH
DB 01H
END
7. C語言源程序
#include <AT89X51.H>
unsigned char code table[]={0xfe,0xfd,0xfb,0xf7,
0xef,0xdf,0xbf,0x7f,
0xfe,0xfd,0xfb,0xf7,
0xef,0xdf,0xbf,0x7f,
0x7f,0xbf,0xdf,0xef,
0xf7,0xfb,0xfd,0xfe,
0x7f,0xbf,0xdf,0xef,
0xf7,0xfb,0xfd,0xfe,
0x00,0xff,0x00,0xff,
0x01};
unsigned char i;
void delay(void)
{
unsigned char m,n,s;
for(m=20;m>0;m--)
for(n=20;n>0;n--)
for(s=248;s>0;s--);
}
void main(void)
{
while(1)
{
if(table[i]!=0x01)
{
P1=table[i];
i++;
delay();
}
else
{
i=0;
}
}
}
以上是廣告燈設計的全部源代碼,轉載請保留版權http://m.raoushi.com


