一般數碼管需要接7個腳才能顯示,如果用單片機本身的I/O口,雖然可以但是浪費寶貴的i/O口資源。本例用移位寄存器74HC164作為數碼管驅動進行控制。
74HC164特性 是一種8位串轉并口的控制芯片,用于數碼管和液晶顯示等.
工作電壓2--6V
管腳定義:
.jpeg)
1) A,B管腳:與門數據輸入引腳。
2)QA---QH 數據并口輸出引腳
3) CLR 低電平時,數據清零,不能輸入
4) CLK 數據輸入時鐘,上升沿讀取串口數據
.png)
.png)
:
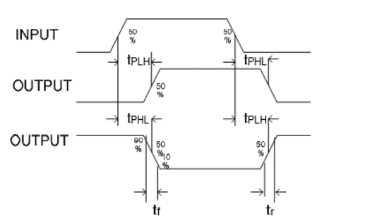
時序圖:
.jpeg)
注意脈沖寬度:
.png)
.png)
本51單片機用的是12MHZ晶振,每條指令最小執行時間1uS》》1ns ,可以根據時序圖隨便使用.
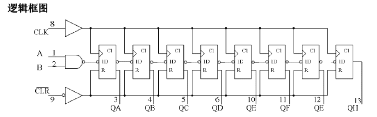
原理圖:
.png)
程序代碼:
完整的keil工程文件下載地址: http://m.raoushi.com/f/k164.rar
ORG 00H ;程序起始地址00H
START:

.jpeg)