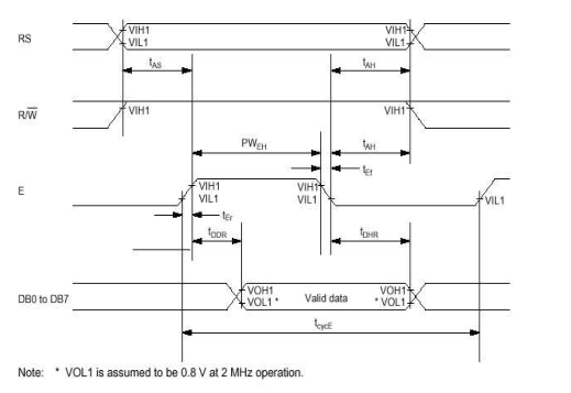
1、時序圖
2、代碼
3、自定義字符
時序圖
.png)
.png)
代碼:
#include <reg51.h>
#include<intrins.h>
sbit RS = P2^4; //定義端口
sbit RW = P2^5;
sbit EN = P2^6;
void Delayus(unsigned char t) // us級別延時
{
while(--t);
}
void Delayms(unsigned char t)// ms級別延時
{
while(t--)
{
//大致延時1mS
Delayus(245);
Delayus(245);
}
}
bit m_1602() //判斷1602是否忙
{
P0 = 0xFF; //準備讀取
RS = 0;
RW = 1;
EN = 0;
_nop_();
EN = 1; //產生高電平
return (bit)(P0 & 0x80);
}
void x_1602(bit i,unsigned char j) //參數一是寫(0、寫指令 1、寫數據),參數二是寫入的8位數據
{
while(m_1602())
{
_nop_();
_nop_();
_nop_();
_nop_();
_nop_();
}
RS = i;
RW = 0;
EN = 1;
P0 = j;
_nop_();
EN = 0; //產生下降沿
}
void qp_1602() //清屏函數
{
x_1602(0,0x01); //第一個參數是:寫入的類型(0、寫指令 1、寫數據),第一個參數是:寫入的數據
Delayms(5);
}
//顯示字符
void zf_1602(unsigned char x,unsigned char y,unsigned dat) //參數一是顯示的列,參數二是顯示的行,參數三是顯示的數據
{
if(y==0)
{
x_1602(0,(0x80+x)); //第一行
}
else
{
x_1602(0,(0xc0+x)); //第二行
}
x_1602(1,dat); //寫入數據
}
void zfc_1602(unsigned char x,unsigned char y,unsigned char *dat)
{
if(y==0)
{
x_1602(0,(0x80+x)); //第一行
}
else
{
x_1602(0,(0xc0+x)); //第二行
}
while(*dat) //&:取地址 *:取值
{
x_1602(1,*dat);
dat ++;
}
}
void csh_1602() //初始化1602
{
x_1602(0,0x38); //顯示模式設置
Delayms(5);
x_1602(0,0x38);
Delayms(5);
x_1602(0,0x38);
Delayms(5);
x_1602(0,0x38);
x_1602(0,0x08); //顯示關閉.
x_1602(0,0x01); //顯示清屏
x_1602(0,0x06); //顯示光標移動設置
Delayms(5);
x_1602(0,0x0c); //顯示開及光標設置
}
void main()
{
csh_1602();
qp_1602();
while(1)
{
zf_1602(0,0,'Q'); //寫入字符
zf_1602(1,0,'Q'); //寫入字符
zf_1602(2,0,' '); //寫入字符
zfc_1602(3,0,"www.baidu.con"); //寫入字符串
zfc_1602(1,1,"1990.02.08"); //寫入字符串
while(1);
}
}
自定義字符 (轉)
用戶自定義字符的應用:
我們從CGROM表上可以看到,在表的最左邊是一列可以允許用戶自定義的CGRAM,從上往下看著是16個,實際只有8個字節可用。它的字符碼是 00000000-00000111這8個地址,表的下面還有8個字節,但因為這個CGRAM的字符碼規定0-2位為地址,3位無效,4-7全為零。因此 CGRAM的字符碼只有最后三位能用也就是8個字節了。等效為0000X111,X為無效位,最后三位為000-111共8個。
如果我們要想顯示這8個用戶自定義的字符,操作方法和顯示CGROM的一樣,先設置DDRAM位置,再向DDRAM寫入字符碼,例如“A”就是41H。現在我們要顯示 CGRAM的第一個自定義字符,就向DDRAM寫入00000000B(00H),如果要顯示第8個就寫入00000111(08H),簡單吧!
好!現在我們來看怎么向這八個自定義字符寫入字模。有個設置CGRAM地址的指令如下圖:
.jpeg)
從這個指令可以看出指令數據的高2位已固定是01,只有后面的6位是地址數據,而這6位中的高3位就表示這八個自定義字符,最后的3位就是字模數據的八個地址了。例如第一個自定義字符的字模地址為01000000-01000111八個地址。我們向這8個字節寫入字模數據,讓它能顯示出“℃”
地址:01000000 數據:00010000 圖示: ○○○■○○○○
01000001 00000110 ○○○○○■■○
01000010 00001001 ○○○○■○○■
01000011 00001000 ○○○○■○○○
01000100 00001000 ○○○○■○○○
01000101 00001001 ○○○○■○○■
01000110 00000110 ○○○○○■■○
01000111 00000000 ○○○○○○○○

.jpeg)