TEMPERATURE_L DATA 31H ;DS18B20低8位Buffer
TEMPERATURE_H DATA 30H ;DS18B20高8位Buffer
TEMPERATURE_HC DATA 32H ;計算后的百位和十位的BCD碼存放BUFFER
TEMPERATURE_LC DATA 33H ;計算后的個位和小數位的BCD碼存放BUFFER
TEMPERATURE_ZH DATA 34H ;計算后十位和個位HEX碼的存放BUFFER
DIS_BUF_X DATA 35H ;數碼管小數位Buffer
DIS_BUF_G DATA 36H ;數碼管個位Buffer
DIS_BUF_S DATA 37H ;數碼管十位Buffer
DIS_BUF_B DATA 38H ;數碼管百位Buffer
KEY_BUF_G DATA 39H ;鍵盤輸入后,的個位值
KEY_BUF_S DATA 49H ;鍵盤輸入后,的十位值
KEY_BUF_B DATA 41H ;鍵盤輸入后,的百位值
K_UP EQU P1.5 ;上調按鈕
K_DOWN EQU P1.6 ;下調按鈕
K_ENTER EQU P1.7 ;輸入數據確認按鈕
P_DS18B20 EQU P3.3 ;讀取DS18B20的輸入端口
P_SWITCH EQU P1.3 ;繼電器控制端口,1-風扇,0-電爐
FLAG EQU 20H.0 ;標志位,確定是否存在DS18B20
ENTER_FLAG EQU 20H.1 ;鍵盤輸入的標志位,為0說明鍵盤正在輸入,為1說明鍵盤輸入退出
;程序開始執行
ORG 0000H
LJMP MAIN
ORG 0100H
MAIN: MOV SP,#60H ;初始化
MOV KEY_BUF_G,#00H ;由于KEY_BUF是由用戶輸入的,所以先賦值初始化
MOV KEY_BUF_S,#00H
MOV KEY_BUF_B,#00H
NEXT:
LCALL READ_TEMP ;調用讀溫度子程序
JB FLAG,NORMAL ;判斷是否有DS18B20的存在
CALL ERR ;不存在時顯示錯誤信息
AJMP NEXT
NORMAL: LCALL DATA_DEA ;處理從DS18B20得到的數據
LCALL SET_DIS_BUF ;賦值給DIS_BUF_X,G,S,B
LCALL DISPLAY ;調用數碼管顯示子程序
LCALL SCAN_KEY ;掃描鍵盤
LCALL SWITCH ;處理繼電器
AJMP NEXT
;程序名稱:ERR
;功能:程序出錯處理,顯示四個8,即8888
;入口參數:無
;出口參數:DIS_BUF_X,DIS_BUF_G, DIS_BUF_S, DIS_BUF_B
ERR: MOV DIS_BUF_X,#08H ;如果沒有找到DS18B20,那么就顯示錯誤,錯誤顯示為888
MOV DIS_BUF_G,#08H
MOV DIS_BUF_S,#08H
MOV DIS_BUF_B,#08H
LCALL DISPLAY
RET
;程序名稱:DATA_DEAL
;功能:處理采集后的的數據
;入口參數:TEMPERATURE_L
;出口參數:DIS_BUF_G, DIS_BUF_S, DIS_BUF_B
DATA_DEAL:
MOV A,TEMPERATURE_H ;判溫度是否零下
ANL A,#80H
JZ TEMPC1 ;A為0,說明是正數,跳往TEMPC1,如果是負數,則對低8為進行補碼處理
CLR C
MOV A,TEMPERATURE_L ;二進制數求補(雙字節)
CPL A ;取反加1
ADD A,#01H
MOV TEMPERATURE_L,A ;取補碼后存回TEMPERATURE_L,此時TEMPERATURE_L里面的值就能表示溫
;度了,不過還要繼續處理一下。
MOV A,TEMPERATURE_H
CPL A
ADDC A,#00H ;高位TEMPERATURE_H取反,加上從低位TEMPERATURE_L進來的位
MOV TEMPERATURE_H,A ;寫回TEMPERATURE_H
MOV TEMPERATURE_HC,#0BH
SJMP TEMPC11
TEMPC1: MOV TEMPERATURE_HC,#0AH
TEMPC11:MOV A,TEMPERATURE_HC
SWAP A
MOV TEMPERATURE_HC,A
MOV A,TEMPERATURE_L
ANL A,#0FH ;取A低4位(小數位,單位是0.0625),得出來的數要乘以0.0625,通過查表來算出值
MOV DPTR,#TEMPDOTTAB
MOVC A,@A+DPTR ;查表
MOV TEMPERATURE_LC,A ;TEMPERATURE_LC LOW=小數部分 BCD
MOV DIS_BUF_X,A ;小數位的BCD碼送入顯示buffer中
MOV A,TEMPERATURE_L ;整數部分
ANL A,#
SWAP A ;SWAP后就得到個位真正的個位
MOV TEMPERATURE_L,A
MOV A,TEMPERATURE_H
ANL A,#0FH
SWAP A
ORL A,TEMPERATURE_L
MOV TEMPERATURE_ZH,A ;組合后的值存入TEMPERATURE_ZH
LCALL HtoB ;轉換HEx值成為BCD碼
MOV TEMPERATURE_L,A ;TEMPERATURE_L目前存入的是十位和個位的BCD編碼
ANL A,#
SWAP A
ORL A,TEMPERATURE_HC ;TEMPERATURE_HC LOW位 = 十位數 BCD
MOV TEMPERATURE_HC,A
MOV A,TEMPERATURE_L
ANL A,#0FH
SWAP A ;TEMPERATURE_LC HI位 = 個位數 BCD
ORL A,TEMPERATURE_LC
MOV TEMPERATURE_LC,A
MOV A,R7
JZ TEMPC12
ANL A,#0FH
SWAP A
MOV R7,A
MOV A,TEMPERATURE_HC ;TEMPERATURE_HC HI = 百位數 BCD
ANL A,#0FH
ORL A,R7
MOV TEMPERATURE_HC,A
TEMPC12:RET
; 小數部分碼表
TEMPDOTTAB: DB 00H,01H,01H,02H,03H,03H,04H,04H,05H,06H,06H,07H,08H,08H,09H,09H
;0.0625->00H
;0.0625*2 = 0.125->01H
;0.0625*3 = 0.1875->01H
;0.0625*4 = 0.25->02H
;0.0625*5 = 0.3125->03H
;以此類推..........
;程序名稱:HtoB
;功能:十六進制轉 BCD
;入口參數:A
;出口參數:R7
HtoB: MOV B,#064H ;100
DIV AB ;a/100
MOV R7,A ;
MOV A,#0AH
XCH A,B
DIV AB
SWAP A
ORL A,B
RET
;程序名稱:INIT_TEMP
;功能:初始化DS18B20,確定DS18B20是否是存在的
;入口參數:無
;出口參數:FLAG
INIT_TEMP:
SETB P_DS18B20
NOP
CLR P_DS18B20 ;主機發出延時537微秒的復位低脈沖
MOV R0,#6BH
MOV R1,#04H
TSR1: DJNZ R0,$
MOV 40,#6BH
DJNZ R1,TSR1
SETB P_DS18B20 ;然后拉高數據線,釋放總線進入接受狀態
NOP
NOP
NOP
MOV R0,#32H
TSR2: JNB P_DS18B20,TSR3 ;等待DS18B20回應
DJNZ R0,TSR2
LJMP TSR4 ;延時
TSR3: SETB FLAG ;置標志位,表示DS1820存在
LJMP TSR5
TSR4: CLR FLAG ;清標志位,表示DS1820不存在
LJMP TSR7
TSR5: MOV R0,#06BH
TSR6: DJNZ R0,TSR6 ;時序要求延時一段時間
TSR7: SETB P_DS18B20
RET
;程序名稱:READ_TEMP
;功能:讀取DS18B20的數據
;入口參數:TEMPERATURE_L,TEMPERATURE_H
;出口參數:無
READ_TEMP:
SETB P_DS18B20
LCALL INIT_TEMP ;先復位DS18B20
JB FLAG,TSS2
RET ;判斷DS1820是否存在?若DS18B20不存在則返回
TSS2: MOV A,#0CCH ;跳過ROM匹配
LCALL WRITE_18B20
MOV A,#44H ;發出溫度轉換命令
LCALL WRITE_18B20
;LCALL DISPLAY ;等待AD轉換結束,12位的話750微秒
LCALL INIT_TEMP ;準備讀溫度前先復位
MOV A,#0CCH ;跳過ROM匹配
LCALL WRITE_18B20
MOV A,#0BEH ;發出讀溫度命令
LCALL WRITE_18B20
LCALL READ_18B20 ;將讀出的溫度數據保存到35H/36H
RET
;具體的步驟:初始化完后當拉低電平開始產生寫時隙-》15微妙之內送入一位數據-》15~60微妙1820來
;采樣讀取它
;程序名稱:WRITE_18B20
;功能:將A保存的數值寫入DS1820中,有具體的時序要求,詳細參考附圖的說明
;入口參數:A 寄存器
;出口參數:無
WRITE_18B20:
MOV R2,#8 ;一共8位數據,串行通信
CLR C
WR1: CLR P_DS18B20
MOV R3,#07
DJNZ R3,$
RRC A ;循環右移
MOV P_DS18B20,C
MOV R3,#3CH
DJNZ R3,$ ;23*2 = 46微妙
SETB P_DS18B20
NOP
DJNZ R2,WR1 ;A里面一共是8位,所以要送8次
SETB P_DS18B20 ;釋放總線
RET
;程序名稱:READ_18B20
;功能:讀取18B20中的數據,由于是串行通信,每次讀取一個,循環8次讀取
;入口參數:TEMPRATURE_L
;出口參數:無
READ_18B20:
MOV R4,#4 ;將溫度高位和低位從DS18B20中讀出
MOV R1,#TEMPERATURE_L
RE00: MOV R2,#8 ;數據一共有8位
RE01: CLR C
SETB P_DS18B20
NOP
NOP
CLR P_DS18B20
NOP
NOP
NOP
SETB P_DS18B20
MOV R3,#09
RE10: DJNZ R3,RE10
MOV C,P_DS18B20
MOV R3,#3CH
RE20: DJNZ R3,RE20
RRC A
DJNZ R2,RE01
MOV @R1,A
DEC R1
DJNZ R4,RE00
RET
;程序名稱:SCAN_KEY
;功能:掃描鍵盤
;入口參數:DIS_BUF_G,DIS_BUF_S,DIS_BUF_B
;出口參數:KEY_BUF_G,KEY_BUF_S,kEY_BUF_B
SCAN_KEY:
JB K_ENTER,QUIT ;如果又Enter鍵入,則開始鍵盤輸入
LCALL K_DELAY
JB K_ENTER,QUIT
CLR ENTER_FLAG ;每次進來都賦值輸入標志,設置為0
MOV KEY_BUF_G,DIS_BUF_G ;將當前的溫度賦值給KEY_BUF,也就是說是以當前溫度為基準,進行加減的
MOV KEY_BUF_S,DIS_BUF_S
MOV KEY_BUF_B,DIS_BUF_B
K_LOOP:
JB ENTER_FLAG,QUIT ;如果輸入完成,ENTER_FLAG則為1,退出鍵盤程序
JB K_ENTER,KUP
CALL PRO_ENTER
KUP: JB K_UP,KDOWN
CALL PRO_UP
KDOWN:JB K_DOWN,LOOPA
CALL PRO_DOWN
LOOPA:LCALL DISPLAY
SJMP K_LOOP
QUIT: RET
;程序名稱:PRO_ENTER
;功能:確認鍵盤輸入和退出鍵盤輸入
;入口參數:ENTER_FLAG
;出口參數:ENTER_FLAG
PRO_ENTER:
CALL K_DELAY
JB K_ENTER,K_LOOP ;按鈕抖動處理
SETB ENTER_FLAG
CALL K_DELAY
RET
;程序名稱:PRO_UP
;功能:數值上調處理
;入口參數:KEY_BUF_G,KEY_BUF_S,KEY_BUF_B
;出口參數:DIS_BUF_G,DIS_BUF_S,DIS_BUF_B
PRO_UP:
CALL K_DELAY
JB K_UP,K_LOOP ;按鈕抖動處理
INC KEY_BUF_G ;個位增一
MOV A,KEY_BUF_G
CJNE A,#0AH,UPNEXT;個位增加到10,回0
MOV KEY_BUF_G,#00H
INC KEY_BUF_S ;十位加一
MOV A,KEY_BUF_S
CJNE A,#0AH,UPNEXT;十位超過99,溢出了
MOV R0,#200
ERROR1:LCALL ERR ;出錯,顯示8888
DJNZ R0,ERROR1
DEC KEY_BUF_S ;退回99
MOV KEY_BUF_G,#09H
UPNEXT:
MOV DIS_BUF_G,KEY_BUF_G
MOV DIS_BUF_S,KEY_BUF_S
MOV DIS_BUF_B,KEY_BUF_B
CALL K_DELAY
RET
;程序名稱:PRO_DOWN
;功能:數值下調處理
;入口參數:KEY_BUF_G,KEY_BUF_S,KEY_BUF_B
;出口參數:DIS_BUF_G,DIS_BUF_S,DIS_BUF_B
PRO_DOWN:
CALL K_DELAY
JB K_DOWN,K_LOOP ;按鈕抖動處理
DEC KEY_BUF_G ;個位減一
MOV A,KEY_BUF_G
CJNE A,#0FFH,DOWNNEXT;個位減到0,回到9
MOV KEY_BUF_G,#09H
DEC KEY_BUF_S ;十位減一
MOV A,KEY_BUF_S
CJNE A,#0FFH,DOWNNEXT;十位低于0,溢出了
MOV R0,#200
ERROR2:LCALL ERR ;出錯,顯示8888
DJNZ R0,ERROR2
INC KEY_BUF_S ;退回00
MOV KEY_BUF_G,#00H
DOWNNEXT:
MOV DIS_BUF_G,KEY_BUF_G ;增加完成后,賦值退出,然后DISPLAY顯示出來
MOV DIS_BUF_S,KEY_BUF_S
MOV DIS_BUF_B,KEY_BUF_B
CALL K_DELAY
RET
K_DELAY: ;鍵盤抖動延時子程序
MOV R6,#
D
MOV R7,#200
DJNZ R7,$
DJNZ R6, DL20MS_1
RET
;繼電器控制
SWITCH:
MOV A,KEY_BUF_G ;三個Buffer都是0的話,說明還沒有輸入數值,直接退出
JNZ SNEXT
MOV A,KEY_BUF_S
JNZ SNEXT
MOV A,KEY_BUF_B
JZ SQUIT
SNEXT: CALL SET_DIS_BUF
MOV A,KEY_BUF_S
SUBB A,DIS_BUF_S
JC COOL
JNZ HOT ;十位如果相等,那么繼續比較個位
MOV A,KEY_BUF_G
SUBB A,DIS_BUF_G
JC COOL
HOT: CLR P_SWITCH ;P_SWITCH 為0說明當前溫度小于設定溫度,要升溫,所以接電爐
SJMP SQUIT
COOL: SETB P_SWITCH ;P_SWITCH 為1說明當前溫度大于設定溫度,要降溫,所以接風扇
SQUIT:RET
;程序名稱:SET_DIS_BUF
;功能:賦值給DIS_BUF_G, DIS_BUF_S, DIS_BUF_B
;入口參數:TEMPERATURE_LC,TEMPERATURE_HC
;出口參數:DIS_BUF_G, DIS_BUF_S, DIS_BUF_B
SET_DIS_BUF:
MOV A,TEMPERATURE_LC
ANL A,#0FH
MOV DIS_BUF_X,A ;小數位
MOV A,TEMPERATURE_LC
SWAP A
ANL A,#0FH
MOV DIS_BUF_G,A ;個位
MOV A,TEMPERATURE_HC
ANL A,#0FH
MOV DIS_BUF_S,A ;十位
MOV A,TEMPERATURE_HC
SWAP A
ANL A,#0FH
MOV DIS_BUF_B,A ;百位
MOV A,TEMPERATURE_HC
ANL A,#
CJNE A,#010H,NEXT0
SJMP NEXT1
NEXT0: MOV A,TEMPERATURE_HC
ANL A,#0FH
JNZ NEXT1 ;十位數是0
MOV A,TEMPERATURE_HC
SWAP A
ANL A,#0FH
MOV 73H,#0AH ;符號位不顯示
MOV 72H,A ;十位數顯示符號
NEXT1: RET
;程序名稱:DISPLAY
;功能:顯示數據到數碼管中。
;入口參數:DIS_BUF_G, DIS_BUF_S, DIS_BUF_B
;出口參數:無
DISPLAY:
MOV DPTR,#DISTAB
MOV R3,#0FEH
MOV R1,#DIS_BUF_B
DPLOP: MOV A,@R1
MOVC A,@A+DPTR
MOV P2,R3
MOV P0,A
CJNE R3,#0FBH,DPNEXT
CLR P0.7
DPNEXT: MOV A,R3
RL A
MOV R3,A
DEC R1
CALL DS
CJNE R3,#0EFH,DPLOP
MOV P0,#0FFH ;一次顯示結束,P0口復位
MOV P2,#0FFH ;P2口復位
RET
DS
MOV R7,#0FFH
DJNZ R7,$
RET
;數碼管TAB
DISTAB:
DB
DB
DB
DB 0B0H ;3
DB 099H ;4
DB 092H ;5
DB 082H ;6
DB
DB 080H ;8
DB 090H ;9
DB 0FFH ;NONE
END
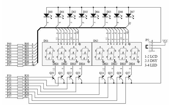
該顯示模塊的動態顯示數碼管,我們用到前面四個數碼管,P0口是送字符的,P2口是用來位選數碼管的。
本系統采用的是循環查詢方式,來顯示和控制溫度的。
1.總模塊的流程圖
2.各個模塊的流程圖
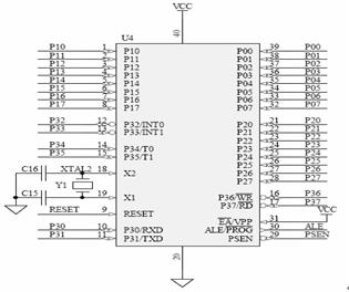
1. Enter → P1.5(k2)
2. Up → P1.6(k3)
3. Down → P1.7(k4)
1. 未插DS18B20時,數碼管顯示錯誤888.8.
2. 插入DS18B20是,數碼管顯示當前溫度XX.X
1.按下Enter,數碼管溫度顯示停止,顯示的數字變的比以前亮。
2.這時可以按Up和Down來調節當前溫度。
3.調節好后,按Enter退出。這時數字變的又暗了,數碼管繼續顯示當前溫度
繼電器隨著設定的溫度,依據情況跳變。
[1]. 單片機原理與應用技術 .江力 主編 .清華大學出版社 .2006
[2]. 微型計算機接口技術 . 王兆月等 編著. 機械工業出版社 .2006
[3]. 數字電子技術 . 江曉安等 編著. 西安電子科技大學出版社 .1993
[4]. ME300B說明書 .偉納電子 編著. 偉納電子出版 .2006
[5]. DS18B20官方英文文檔 . DS18B20官方英文站點下載 .
系統模塊分為:DS18B20模塊,顯示模塊,繼電器模塊,鍵盤輸入模塊,DS18B20可以被編程,所以箭頭是雙向的,CPU(89S52)首先寫入命令給DS18B20,然后DS18B20開始轉換數據,轉換后通過89S52來處理數據。數據處理后的結果就顯示到數碼管上。
<單片機DS18B20水溫控制系統設計總體圖>
本系統的執行方法是循環查詢執行的,鍵盤掃描也是用循環查詢的辦法,由于本系統對實時性要求不是很高,所以沒有用到中斷方式來處理。
