1.實驗任務
當按下開關SP1,AT89S51單片機產生“叮咚”聲從P1.0端口輸出到LM386,經過放大之后送入喇叭。
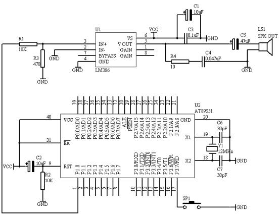
2.電路原理圖
圖4.19.1
3.系統板上硬件連線
(1. 把“單片機系統”區域中的P1.0端口用導線連接到“音頻放大模塊”區域中的SPK IN端口上;
(2. 在“音頻放大模塊”區域中的SPK OUT端口上接上一個8歐或者是16歐的喇叭;
(3. 把“單片機系統”區域中的P3.7/RD端口用導線連接到“獨立式鍵盤”區域中的SP1端口上;
4.程序設計方法
(1. 我們用單片機實定時/計數器T0來產生700HZ和500HZ的頻率,根據定時/計數器T0,我們取定時250us,因此,700HZ的頻率要經過3次250us的定時,而500HZ的頻率要經過4次250us的定時。
(2. 在設計過程,只有當按下SP1之后,才啟動T0開始工作,當T0工作完畢,回到最初狀態。
(3. “叮”和“咚”聲音各占用0.5秒,因此定時/計數器T0要完成0.5秒的定時,對于以250us為基準定時2000次才可以。
6.匯編源程序
T5HZ EQU 30H
T7HZ EQU 31H
T05SA EQU 32H
T05SB EQU 33H
FLAG BIT 00H
STOP BIT 01H
SP1 BIT P3.7
ORG 00H
LJMP START
ORG 0BH
LJMP INT_T0
START: MOV TMOD,#02H
MOV TH0,#06H
MOV TL0,#06H
SETB ET0
SETB EA
NSP: JB SP1,NSP
LCALL DELY10MS
JB SP1,NSP
SETB TR0
MOV T5HZ,#00H
MOV T7HZ,#00H
MOV T05SA,#00H
MOV T05SB,#00H
CLR FLAG
CLR STOP
JNB STOP,$
LJMP NSP
DELY10MS: MOV R6,#20
D1: MOV R7,#248
DJNZ R7,$
DJNZ R6,D1
RET
INT_T0: INC T05SA
MOV A,T05SA
CJNE A,#100,NEXT
MOV T05SA,#00H
INC T05SB
MOV A,T05SB
CJNE A,#20,NEXT
MOV T05SB,#00H
JB FLAG,STP
CPL FLAG
LJMP NEXT
STP: SETB STOP
CLR TR0
LJMP DONE
NEXT: JB FLAG,S5HZ
INC T7HZ
MOV A,T7HZ
CJNE A,#03H,DONE
MOV T7HZ,#00H
CPL P1.0
LJMP DONE
S5HZ: INC T5HZ
MOV A,T5HZ
CJNE A,#04H,DONE
MOV T5HZ,#00H
CPL P1.0
LJMP DONE
DONE: RETI
END
7. C語言源程序
#include <AT89X51.H>
unsigned char t5hz;
unsigned char t7hz;
unsigned int tcnt;
bit stop;
bit flag;
void main(void)
{
unsigned char i,j;
TMOD=0x02;
TH0=0x06;
TL0=0x06;
ET0=1;
EA=1;
while(1)
{
if(P3_7==0)
{
for(i=10;i>0;i--)
for(j=248;j>0;j--);
if(P3_7==0)
{
t5hz=0;
t7hz=0;
tcnt=0;
flag=0;
stop=0;
TR0=1;
while(stop==0);
}
}
}
}
void t0(void) interrupt 1 using 0
{
tcnt++;
if(tcnt==2000)
{
tcnt=0;
if(flag==0)
{
flag=~flag;
}
else
{
stop=1;
TR0=0;
}
}
if(flag==0)
{
t7hz++;
if(t7hz==3)
{
t7hz=0;
P1_0=~P1_0;
}
}
else
{
t5hz++;
if(t5hz==4)
{
t5hz=0;
P1_0=~P1_0;
}
}
}

