#include<AT89x51.h>
#include<intrins.h>
#define uint unsigned int
#define uchar unsigned char
//******************adc0832****************************//
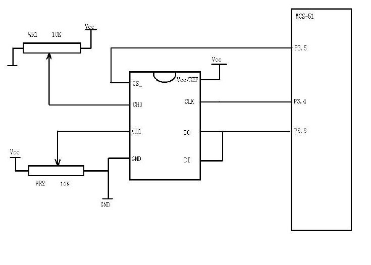
sbit CS=P2^3; //使能。
sbit CLK=P2^2;//時鐘
sbit DO=P2^1; // 數據輸出
sbit DI=P2^0;//數據輸入
char CC[]="11001001";
uchar tab[]={0xc0,0xf9,0xa4,0xb0,0x99,0x92,0x82,0xf8,0x80,0x90,0x88,0x83,0xc6,0xa1,0x86,0x8e};
uchar temp;
uint vvv,i;
//通道的選擇:0x02就是單通道0;0x03就是單通道1;
//0x00就是雙通道ch0="+"; ch0="-"
//0x01就是雙通道ch0="-"; ch0="+"
//*****************************************************//
void delay(int tt)
{
while(tt--)
{for(i=0;i<120;i++);}
}
void startADC()
{
CS=1;
_nop_();
_nop_();
CLK=0;
_nop_();
_nop_();
CS=0;
_nop_();
_nop_();
DI=1;
_nop_();
_nop_();
CLK=1;
_nop_();
_nop_();
DI=0;
_nop_();
_nop_();
CLK=0;
_nop_();
_nop_();
}
void choiceADC(uint CH)//CH為0選擇通道ch0,為1,選擇ch1進行AD轉換
{
startADC();
if(CH==0)
{
DI=1;
_nop_();
CLK=1;//上升沿DI=1
_nop_();
CLK=0;//1個下降沿DI=1
_nop_();
DI=0;
_nop_();
CLK=1;
_nop_();
CLK=0;//第3個上升沿DI=0
_nop_();
}
else
{
CLK=0;
_nop_();
DI=1;
_nop_();
CLK=1;//上升沿DI=1
_nop_();
CLK=0;//1個下降沿DI=1
_nop_();
DI=1;
_nop_();
CLK=1;//第3個上升沿DI=0
_nop_();
}
/********通道選擇結束開始讀取轉換后的二進制數****/
CLK=1;
_nop_();
CLK=0;//下降沿讀數,一下進行判斷和處理,共8次
for(i=0;i<8;i++)
{
DI=1;
if(DO)
{
temp |=0x01;
}
else
{
temp &=0xfe;
}
CLK=0;
_nop_();
CLK=1;
temp=temp<<1;
}
vvv=temp;
}
void display(uint dat)
{
P3=0x04;
P0=tab[dat/100];
delay(1);
P0=0xff;
P3=0x02;
P0=tab[dat%100/10];
delay(1);
P0=0xff;
P3=0x01;
P0=tab[dat%10];
delay(1);
P0=0xff;
}
#include<intrins.h>
#define uint unsigned int
#define uchar unsigned char
//******************adc0832****************************//
sbit CS=P2^3; //使能。
sbit CLK=P2^2;//時鐘
sbit DO=P2^1; // 數據輸出
sbit DI=P2^0;//數據輸入
char CC[]="11001001";
uchar tab[]={0xc0,0xf9,0xa4,0xb0,0x99,0x92,0x82,0xf8,0x80,0x90,0x88,0x83,0xc6,0xa1,0x86,0x8e};
uchar temp;
uint vvv,i;
//通道的選擇:0x02就是單通道0;0x03就是單通道1;
//0x00就是雙通道ch0="+"; ch0="-"
//0x01就是雙通道ch0="-"; ch0="+"
//*****************************************************//
void delay(int tt)
{
while(tt--)
{for(i=0;i<120;i++);}
}
void startADC()
{
CS=1;
_nop_();
_nop_();
CLK=0;
_nop_();
_nop_();
CS=0;
_nop_();
_nop_();
DI=1;
_nop_();
_nop_();
CLK=1;
_nop_();
_nop_();
DI=0;
_nop_();
_nop_();
CLK=0;
_nop_();
_nop_();
}
void choiceADC(uint CH)//CH為0選擇通道ch0,為1,選擇ch1進行AD轉換
{
startADC();
if(CH==0)
{
DI=1;
_nop_();
CLK=1;//上升沿DI=1
_nop_();
CLK=0;//1個下降沿DI=1
_nop_();
DI=0;
_nop_();
CLK=1;
_nop_();
CLK=0;//第3個上升沿DI=0
_nop_();
}
else
{
CLK=0;
_nop_();
DI=1;
_nop_();
CLK=1;//上升沿DI=1
_nop_();
CLK=0;//1個下降沿DI=1
_nop_();
DI=1;
_nop_();
CLK=1;//第3個上升沿DI=0
_nop_();
}
/********通道選擇結束開始讀取轉換后的二進制數****/
CLK=1;
_nop_();
CLK=0;//下降沿讀數,一下進行判斷和處理,共8次
for(i=0;i<8;i++)
{
DI=1;
if(DO)
{
temp |=0x01;
}
else
{
temp &=0xfe;
}
CLK=0;
_nop_();
CLK=1;
temp=temp<<1;
}
vvv=temp;
}
void display(uint dat)
{
P3=0x04;
P0=tab[dat/100];
delay(1);
P0=0xff;
P3=0x02;
P0=tab[dat%100/10];
delay(1);
P0=0xff;
P3=0x01;
P0=tab[dat%10];
delay(1);
P0=0xff;
}
void main()
{
P3=0xFF;
P0=0xff;
while(1)
{
choiceADC(0);
delay(1);
display(vvv);
}
}
{
P3=0xFF;
P0=0xff;
while(1)
{
choiceADC(0);
delay(1);
display(vvv);
}
}




