1.DS18B20基本知識
DS18B20數字溫度計是DALLAS公司生產的1-Wire,即單總線器件,具有線路簡單,體積小的特點。因此用它來組成一個測溫系統,具有線路簡單,在一根通信線,可以掛很多這樣的數字溫度計,十分方便。
1、DS18B20產品的特點
(1)、只要求一個端口即可實現通信。
(2)、在DS18B20中的每個器件上都有獨一無二的序列號。
(3)、實際應用中不需要外部任何元器件即可實現測溫。
(4)、測量溫度范圍在-55。C到+125。C之間。
(5)、數字溫度計的分辨率用戶可以從9位到12位選擇。
(6)、內部有溫度上、下限告警設置。
2、DS18B20的引腳介紹
TO-92封裝的DS18B20的引腳排列見圖1,其引腳功能描述見表1。
(底視圖)
圖1
表1 DS18B20詳細引腳功能描述
|
序號 |
名稱 |
引腳功能描述 |
|
1 |
GND |
地信號 |
|
2 |
DQ |
數據輸入/輸出引腳。開漏單總線接口引腳。當被用著在寄生電源下,也可以向器件提供電源。 |
|
3 |
VDD |
可選擇的VDD引腳。當工作于寄生電源時,此引腳必須接地。 |
3. DS18B20的使用方法
由于DS18B20采用的是1-Wire總線協議方式,即在一根數據線實現數據的雙向傳輸,而對AT89S51單片機來說,硬件上并不支持單總線協議,因此,我們必須采用軟件的方法來模擬單總線的協議時序來完成對DS18B20芯片的訪問。
由于DS18B20是在一根I/O線上讀寫數據,因此,對讀寫的數據位有著嚴格的時序要求。DS18B20有嚴格的通信協議來保證各位數據傳輸的正確性和完整性。該協議定義了幾種信號的時序:初始化時序、讀時序、寫時序。所有時序都是將主機作為主設備,單總線器件作為從設備。而每一次命令和數據的傳輸都是從主機主動啟動寫時序開始,如果要求單總線器件回送數據,在進行寫命令后,主機需啟動讀時序完成數據接收。數據和命令的傳輸都是低位在先。
DS18B20的復位時序
DS18B20的讀時序
對于DS18B20的讀時序分為讀0時序和讀1時序兩個過程。
對于DS18B20的讀時隙是從主機把單總線拉低之后,在15秒之內就得釋放單總線,以讓DS18B20把數據傳輸到單總線上。DS18B20在完成一個讀時序過程,至少需要60us才能完成。
DS18B20的寫時序
對于DS18B20的寫時序仍然分為寫0時序和寫1時序兩個過程。
對于DS18B20寫0時序和寫1時序的要求不同,當要寫0時序時,單總線要被拉低至少60us,保證DS18B20能夠在15us到45us之間能夠正確地采樣IO總線上的“0”電平,當要寫1時序時,單總線被拉低之后,在15us之內就得釋放單總線。
4. 實驗任務
用一片DS18B20構成測溫系統,測量的溫度精度達到0.1度,測量的溫度的范圍在-20度到+100度之間,用8位數碼管顯示出來。
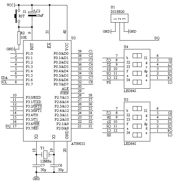
5. 電路原理圖
6. 系統板上硬件連線
(1). 把“單片機系統”區域中的P0.0-P0.7用8芯排線連接到“動態數碼顯示”區域中的ABCDEFGH端子上。
(2). 把“單片機系統”區域中的P2.0-P2.7用8芯排線連接到“動態數碼顯示”區域中的S1S2S3S4S5S6S7S8端子上。
(3). 把DS18B20芯片插入“四路單總線”區域中的任一個插座中,注意電源與地信號不要接反。
(4). 把“四路單總線”區域中的對應的DQ端子連接到“單片機系統”區域中的P3.7/RD端子上。
7. C語言源程序
#include <AT89X52.H>
#include <INTRINS.h>
unsigned char code displaybit[]={0xfe,0xfd,0xfb,0xf7,
0xef,0xdf,0xbf,0x7f};
unsigned char code displaycode[]={0x3f,0x06,0x5b,0x4f,
0x66,0x6d,0x7d,0x07,
0x7f,0x6f,0x77,0x7c,
0x39,0x5e,0x79,0x71,0x00,0x40};
unsigned char code dotcode[32]={0,3,6,9,12,16,19,22,
25,28,31,34,38,41,44,48,
50,53,56,59,63,66,69,72,
75,78,81,84,88,91,94,97};
unsigned char displaycount;
unsigned char displaybuf[8]={16,16,16,16,16,16,16,16};
unsigned char timecount;
unsigned char readdata[8];
sbit DQ=P3^7;
bit sflag;
bit resetpulse(void)
{
unsigned char i;
DQ=0;
for(i=255;i>0;i--);
DQ=1;
for(i=60;i>0;i--);
return(DQ);
for(i=200;i>0;i--);
}
void writecommandtods18b20(unsigned char command)
{
unsigned char i;
unsigned char j;
for(i=0;i<8;i++)
{
if((command & 0x01)==0)
{
DQ=0;
for(j=35;j>0;j--);
DQ=1;
}
else
{
DQ=0;
for(j=2;j>0;j--);
DQ=1;
for(j=33;j>0;j--);
}
command=_cror_(command,1);
}
}
unsigned char readdatafromds18b20(void)
{
unsigned char i;
unsigned char j;
unsigned char temp;
temp=0;
for(i=0;i<8;i++)
{
temp=_cror_(temp,1);
DQ=0;
_nop_();
_nop_();
DQ=1;
for(j=10;j>0;j--);
if(DQ==1)
{
temp=temp | 0x80;
}
else
{
temp=temp | 0x00;
}
for(j=200;j>0;j--);
}
return(temp);
}
void main(void)
{
TMOD=0x01;
TH0=(65536-4000)/256;
TL0=(65536-4000)%6;
ET0=1;
EA=1;
while(resetpulse());
writecommandtods18b20(0xcc);
writecommandtods18b20(0x44);
TR0=1;
while(1)
{
;
}
}
void t0(void) interrupt 1 using 0
{
unsigned char x;
unsigned int result;
TH0=(65536-4000)/256;
TL0=(65536-4000)%6;
if(displaycount==2)
{
P0=displaycode[displaybuf[displaycount]] | 0x80;
}
else
{
P0=displaycode[displaybuf[displaycount]];
}
P2=displaybit[displaycount];
displaycount++;
if(displaycount==8)
{
displaycount=0;
}
timecount++;
if(timecount==150)
{
timecount=0;
while(resetpulse());
writecommandtods18b20(0xcc);
writecommandtods18b20(0xbe);
readdata[0]=readdatafromds18b20();
readdata[1]=readdatafromds18b20();
for(x=0;x<8;x++)
{
displaybuf[x]=16;
}
sflag=0;
if((readdata[1] & 0xf8)!=0x00)
{
sflag=1;
readdata[1]=~readdata[1];
readdata[0]=~readdata[0];
result=readdata[0]+1;
readdata[0]=result;
if(result>255)
{
readdata[1]++;
}
}
readdata[1]=readdata[1]<<4;
readdata[1]=readdata[1] & 0x70;
x=readdata[0];
x=x>>4;
x=x & 0x0f;
readdata[1]=readdata[1] | x;
x=2;
result=readdata[1];
while(result/10)
{
displaybuf[x]=result;
result=result/10;
x++;
}
displaybuf[x]=result;
if(sflag==1)
{
displaybuf[x+1]=17;
}
x=readdata[0] & 0x0f;
x=x<<1;
displaybuf[0]=(dotcode[x]);
displaybuf[1]=(dotcode[x])/10;
while(resetpulse());
writecommandtods18b20(0xcc);
writecommandtods18b20(0x44);
}
}





