利用proteus和labview模擬串口功能。所需軟件有proteus;keil;labview;Virtual Serial Ports Driver。
軟件功能介紹:Virtual Serial Ports Driver可以虛擬出一對邏輯上互相連接的串口,假設是com3和com4,則com3和com4在邏輯上是連接在一起的;proteus作為單片機的仿真軟件,通過模擬串口com3與上位機通訊;keil是用來編寫單片機的代碼的,在proteus仿真中,加載keil生成的HEX文件,進行仿真;labview作為上位機的仿真軟件,通過串口com4與下位機通訊。
第一步:安裝Virtual Serial Ports Driver,安裝破解好后,點擊Add pair,虛擬出一對模擬串口com1和com2,再次點擊Add pair,可以再次虛擬出另外一對串口com3和com4,如圖所示:

點擊Additional pair information,可以看出com3和com4邏輯上是互相連接的,如圖所示:
.jpg)
第二步:安裝proteus,安裝破解好后,設計單片機電路,注意串口的設置,雙擊COMPIM,進行串口com3波特率等的設置,如圖所示:
.jpg)
第三步:安裝keil,安裝破解好后,編寫程序代碼,編譯生成HEX文件,在proteus文件中,雙擊單片機,在對應的Program File欄,指向HEX文件的路徑,即完成HEX文件的加載,如圖所示:
.jpg)
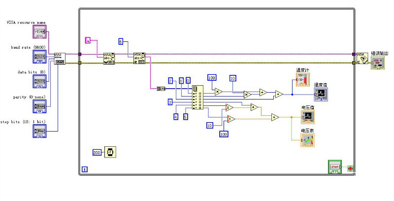
第四步:安裝labview,注意安裝VISA驅動,安裝破解好后,編寫程序代碼,注意串口的設置,如圖所示:
.jpg)
.jpg)
設計主要解決了串口的發送與接收問題,通過單片機實現電壓和溫度的采集,在LCD1602液晶上顯示,并通過串口發送給電腦顯示,在串口發送與接收部分,解決了電壓和溫度兩種數據的識別以及帶小數點部分數據的處理,數據識別主要用到了上位機labview定時發送的握手信號,數據處理主要用到了字符串、數組和數組元素的數據處理。需要相關軟件和源碼的可與我聯系,QQ531187647,歡迎非商業用途的傳播。
軟件功能介紹:Virtual Serial Ports Driver可以虛擬出一對邏輯上互相連接的串口,假設是com3和com4,則com3和com4在邏輯上是連接在一起的;proteus作為單片機的仿真軟件,通過模擬串口com3與上位機通訊;keil是用來編寫單片機的代碼的,在proteus仿真中,加載keil生成的HEX文件,進行仿真;labview作為上位機的仿真軟件,通過串口com4與下位機通訊。
第一步:安裝Virtual Serial Ports Driver,安裝破解好后,點擊Add pair,虛擬出一對模擬串口com1和com2,再次點擊Add pair,可以再次虛擬出另外一對串口com3和com4,如圖所示:

點擊Additional pair information,可以看出com3和com4邏輯上是互相連接的,如圖所示:
.jpg)
第二步:安裝proteus,安裝破解好后,設計單片機電路,注意串口的設置,雙擊COMPIM,進行串口com3波特率等的設置,如圖所示:
.jpg)
第三步:安裝keil,安裝破解好后,編寫程序代碼,編譯生成HEX文件,在proteus文件中,雙擊單片機,在對應的Program File欄,指向HEX文件的路徑,即完成HEX文件的加載,如圖所示:
.jpg)
第四步:安裝labview,注意安裝VISA驅動,安裝破解好后,編寫程序代碼,注意串口的設置,如圖所示:
.jpg)
.jpg)
設計主要解決了串口的發送與接收問題,通過單片機實現電壓和溫度的采集,在LCD1602液晶上顯示,并通過串口發送給電腦顯示,在串口發送與接收部分,解決了電壓和溫度兩種數據的識別以及帶小數點部分數據的處理,數據識別主要用到了上位機labview定時發送的握手信號,數據處理主要用到了字符串、數組和數組元素的數據處理。需要相關軟件和源碼的可與我聯系,QQ531187647,歡迎非商業用途的傳播。
