1. 實驗任務
利用單片機AT89S51與ADC0809設計一個數字電壓表,能夠測量0-5V之間的直流電壓值,四位數碼顯示,但要求使用的元器件數目最少。
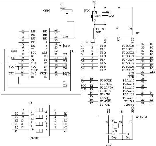
2. 電路原理圖
圖1.28.1
3. 系統板上硬件連線
a) 把“單片機系統”區域中的P1.0-P1.7與“動態數碼顯示”區域中的ABCDEFGH端口用8芯排線連接。
b) 把“單片機系統”區域中的P2.0-P2.7與“動態數碼顯示”區域中的S1S2S3S4S5S6S7S8端口用8芯排線連接。
c) 把“單片機系統”區域中的P3.0與“模數轉換模塊”區域中的ST端子用導線相連接。
d) 把“單片機系統”區域中的P3.1與“模數轉換模塊”區域中的OE端子用導線相連接。
e) 把“單片機系統”區域中的P3.2與“模數轉換模塊”區域中的EOC端子用導線相連接。
f) 把“單片機系統”區域中的P3.3與“模數轉換模塊”區域中的CLK端子用導線相連接。
g) 把“模數轉換模塊”區域中的A2A1A0端子用導線連接到“電源模塊”區域中的GND端子上。
h) 把“模數轉換模塊”區域中的IN0端子用導線連接到“三路可調電壓模塊”區域中的VR1端子上。
i) 把“單片機系統”區域中的P0.0-P0.7用8芯排線連接到“模數轉換模塊”區域中的D0D1D2D3D4D5D6D7端子上。
4. 程序設計內容
i. 由于ADC0809在進行A/D轉換時需要有CLK信號,而此時的ADC0809的CLK是接在AT89S51單片機的P3.3端口上,也就是要求從P3.3輸出CLK信號供ADC0809使用。因此產生CLK信號的方法就得用軟件來產生了。
ii. 由于ADC0809的參考電壓VREF=VCC,所以轉換之后的數據要經過數據處理,在數碼管上顯示出電壓值。實際顯示的電壓值 (D/256*VREF)
5. 匯編源程序
(略)
6. C語言源程序
#include <AT89X52.H>
unsigned char code dispbitcode[]={0xfe,0xfd,0xfb,0xf7,
0xef,0xdf,0xbf,0x7f};
unsigned char code dispcode[]={0x3f,0x06,0x5b,0x4f,0x66,
0x6d,0x7d,0x07,0x7f,0x6f,0x00};
unsigned char dispbuf[8]={10,10,10,10,0,0,0,0};
unsigned char dispcount;
unsigned char getdata;
unsigned int temp;
unsigned char i;
sbit ST=P3^0;
sbit OE=P3^1;
sbit EOC=P3^2;
sbit CLK=P3^3;
void main(void)
{
ST=0;
OE=0;
ET0=1;
ET1=1;
EA=1;
TMOD=0x12;
TH0=216;
TL0=216;
TH1=(65536-4000)/256;
TL1=(65536-4000)%256;
TR1=1;
TR0=1;
ST=1;
ST=0;
while(1)
{
if(EOC==1)
{
OE=1;
getdata=P0;
OE=0;
temp=getdata*235;
temp=temp/128;
i=5;
dispbuf[0]=10;
dispbuf[1]=10;
dispbuf[2]=10;
dispbuf[3]=10;
dispbuf[4]=10;
dispbuf[5]=0;
dispbuf[6]=0;
dispbuf[7]=0;
while(temp/10)
{
dispbuf[i]=temp%10;
temp=temp/10;
i++;
}
dispbuf[i]=temp;
ST=1;
ST=0;
}
}
}
void t0(void) interrupt 1 using 0
{
CLK=~CLK;
}
void t1(void) interrupt 3 using 0
{
TH1=(65536-4000)/256;
TL1=(65536-4000)%256;
P1=dispcode[dispbuf[dispcount]];
P2=dispbitcode[dispcount];
if(dispcount==7)
{
P1=P1 | 0x80;
}
dispcount++;
if(dispcount==8)
{
dispcount=0;
}
}

