單片機現了“死機”、“程序跑飛”等現象,這主要是單片機復位電路設計不可靠引起的。圖1是一個單片機與大功率LED八段顯示器共享一個電源,并采用微分復位電路的實例。在這種情況下,系統有時會出現一些不可預料的現象,如無規律可循的“死機”、“程序走飛”等。而用仿真器調試時卻無此現象發生或極少發生此現象。又如圖2所示,在此圖中單片機復位采用另外一種復位電路。在此電路的應用中,用戶有時會發現在關閉電源后的短時間內再次開啟電源,單片機可能會工作不正常。這些現象,都可認為是由于單片機復位電路的設計不當 
影響單片機系統運行穩定性的因素可大體分為外因和內因兩部分:
1、外因
射頻干擾,它是以空間電磁場的形式傳遞 在機器內部的導體(引線或零件引腳)感生出相應的干擾,可通過電磁屏蔽和合理的布線/器件布局衰減該類干擾;
電源線或電源內部產生的干擾,它是通過電源線或電源內的部件耦合或直接傳導,可通過電源濾波、隔離等措施來衰減該類干擾 。
2、內因
振蕩源的穩定性,主要由起振時間 頻率穩定度和占空比穩定度決定 起振時間可由電路參數整定 穩定度受振蕩器類型 溫度和電壓等參數影響單片機復位電路的可靠性。
二、復位電路的可靠性設計
1、基本復位電路
單片機復位電路的基本功能是:系統上電時提供復位信號,直至系統電源穩定后,撤銷復位信號。為可靠起見,電源穩定后還要經一定的延時才撤銷復位信號,以防電源開關或電源插頭分-合過程中引起的抖動而影響復位。圖1所示的RC復位電路可以實現上述基本功能,圖3為其輸入-輸出特性。但解決不了電源毛刺(A 點)和電源緩慢下降(電池電壓不足)等問題 而且調整 RC 常數改變延時會令驅動能力變差。左邊的電路為高電平復位有效 右邊為低電平 Sm為手動復位開關 Ch可避免高頻諧波對電路的干擾
圖1 RC復位電路
圖2所示的復位電路增加了二極管,在電源電壓瞬間下降時使電容迅速放電,一定寬度的電源毛刺也可令系統可靠復位。 圖3所示復位電路輸入輸出特性圖的下半部分是其特性,可與上半部比較增加放電回路的效果 單片機編程器 HPOO
圖2 增加放電回路的RC復位電路
使用比較電路,不但可以解決電源毛刺造成系統不穩定,而且電源緩慢下降也能可靠復位。圖4 是一個實例 當 VCC x (R1/(R1+R2) ) = 0.7V時,Q1截止使系統復位。Q1的放大作用也能改善電路的負載特性,但跳變門檻電壓 Vt 受 VCC 影響是該電路的突出缺點,使用穩壓二極管可使 Vt 基本不受VCC影響。見圖5,當VCC低于Vt(Vz+0.7V)時電路令系統復位。
圖3 RC復位電路輸入-輸出特性
圖4 帶電壓監控功能的單片機復位電路
圖5 穩定門檻電壓
圖6 實用的復位監控電路
在此基礎上,增加延時電容和放電二極管構成性能優良的復位電路,如圖6所示。調節C1可調整延時時間,調節R1可調整負載特性,如圖7所示上半部分是圖5電路的特性,下半部分對應圖6。
圖7 帶電壓監控功能的復位電路的輸入-輸出特性
2、電源監控電路
上述的帶電壓監控的復位電路又叫電源監控電路 監控電路必須具備如下功能:
上電復位,保障上電時能正確地啟動系統;
掉電復位,當電源失效或電壓降到某一電壓值以下時,復位系統;
市面上有類似的集成產品,如PHILIPS半導體公司生產的MAX809、MAX810。此類產品體積小、功耗低,而且可選門檻電壓。可保障系統在不同的異常條件下可靠地復位,防止系統失控。圖8中的Rm和Sm實現手動復位 無需該功能時可把Reset端(或/Reset)端 直接與單片機的RST端(或/RST端)相連 最大限度地簡化外圍電路 也可選擇PHILIPS半導體公司帶手動單片機復位功能的產品MAX708。
圖8 集成單片機復位監控電路
此外,MAX708還可以監視第二個電源信號,為處理器提供電壓跌落的預警功能,利用此功能,系統可在電源跌落時到復位前執行某些安全操作,保存參數,發送警報信號或切換后備電池等。圖9電表的應用實例 利用MAX708 電表可在電源毛刺或停電前把當前電度數保存到E2PROM中 再配合保存多個電度數備份算法,可有效解決令工程師頭疼E2PROM中的電度數掉失問題使用該電路必須選擇適當的預警電壓點,以保證靠電源的儲能供電情況下,VCC電壓從預警電壓跌到復位電壓的維持時間(tB)必須足夠長 E2PROM的寫周期約為10-20ms 一般取tB>200ms就可確保數據穩定寫入。預警電壓調整方法 當VDC等于預警電壓時調整R1和R2使PFI的電壓為1.25V 此時可檢測/PFO來確認內部的電壓比較器是否動作,調整時必須注意此比較器是窗口比較器。 圖10是該應用的程序流程圖
圖10. 電表應用中E2PROM數據保護程序流程圖
3. 多功能電源監控電路
除上電復位和掉電復位外,很多監控電路集成了系統所需的功能,如:
電源測控,供電電壓出現異常時提供預警指示或中斷請求信號,方便系統實現異常處理;
數據保護,當電源或系統工作異常時,對數據進行必要的保護,如寫保護、數據備份或切換后備電池;
看門狗定時器,當系統程序“跑飛”或“死鎖”時,復位系統;
其它的功能,如溫度測控、短路測試等等用這些芯片來制作單片機復位電路會得到事半功倍的效果。
我們把其稱作多功能電源監控電路。下面介紹兩款特別適合在工控、安防、金融行業中廣泛應用多功能的監控電路 :
Catalyst 公司的 CAT1161 是一個集成了開門狗、電壓監控和復位電路的 16K 位 E2PROM(I2C 接口)不但集成度高、功耗低(E2PROM部分靜態時真正實現零功耗)而且清看門狗是通過改變SDA的電平實現的,節省系統I/O 資源,其門檻電壓可通過編程器修改,該修改范圍覆蓋絕大多數應用。當電源下降到門檻電壓以下時 硬件禁止訪問 E2PROM 確保數據安全。
使用時注意的是 RST,/RST 引腳是 I/O 腳,CAT1161 檢測到兩引腳中任何一個電壓異常都會產生復位信號,與 RST /RST 引腳相連的下拉電阻 R2 和上拉電阻 R1 必須同時連接,否則CAT1161將不斷產生復位!同樣不需要手動復位功能時可節省Rm和Sm兩個元件。
圖11. 內置WDT RESET /RESET E PROM監控器件接口電路
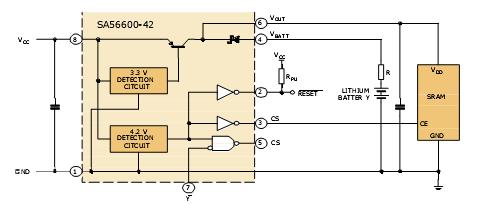
PHILIPS 公司的 SA56600-42 被設計用在電源電壓降低或斷電時作保護微電腦系統中SRAM 的數據。當電源電壓下降到通常值 4.2V 時,輸出 CS 變為邏輯低電平,把 CE 也拉低,從而禁止對 SRAM 的操作。同時,產生一個低電平有效的復位信號,供系統使用,如果電源電壓繼續下降,到達通常值 3.3V或更低時,SA56600-42切換系統操作,從主電源供電切換到后備鋰電池供電,當主電源恢復正常(電壓上升至3.3V或更高時)將SRAM的供電電源將由后備鋰電池切換回主電源,當主電源上升至大于典型值4.2V 時 輸出 CS 變為邏輯高電平,使 CE 變為高電平,使能 SRAM 的操作,復位信號一直持續到系統恢復正常操作為止。在系統電源電壓不足或突然斷電的時候,這個器件能可靠地保護系統在SRAM內的數據。
圖12. 內置SRAM數據保護電路的監控器件SA56600-42的典型應用 單片機編程器 HPOO
4. ARM 單片機復位電路設計
無論在移動電話 高端手持儀器還是嵌入式系統,32 位單片機 ARM 占據越來越多的份額,ARM 已成為事實的高端產品工業標準。由于 ARM 高速、低功耗、低工作電壓導致其噪聲容限低 這是對數字電路極限的挑戰,對電源的紋波、瞬態響應性能、時鐘源的穩定度、電源監控可靠性等諸多方面也提出了更高的要求。ARM監控技術是復雜并且非常重要的。
分立元件實現的監控電路,受溫度、濕度、壓力等外界的影響大而且對不同元件影響不一致 較大板面積,過多過長的引腳容易引入射頻干擾,功耗大也是很多應用難以接受,而集成電路能很好的解決此類問題。目前也有不少微處理器中集成監控電路,處于制造成本和工藝技術原因,此類監控電路大多數是用低電壓CMOS工藝實現的,比起用高電壓、高線性度的雙極工藝制造的專用監控電路 性能還有一段差距。
結論是:使用 ARM而不用專用監控電路,可能導致得不償失,經驗也告訴我們使用專用監控電路可以避免很多離奇古怪的問題。ARM的應用工程師,切記少走彎路!
圖13. 用PHILIPS MAX708實現的ARM復位電路 單片機學習 HPOO
圖13 是實用可靠的 ARM 復位電路。ARM 內核的工作電壓較低。R1 可保證電壓低于 MAX708 的工作電源還能可靠復位。其中 TRST 信號是給 JTAG 接口用的。使用 HC125 可實現多種復位源對 ARM 復位,如通過PC機串口或JTAG接口復位ARM
////////////////////////////////////////////////////////////////////////////////////////////////////////////////////////////
本站還介紹如下單片機復位電路
|
||
|
本文所提到的各種復位電路中,微分復位電路簡單,但易引入干擾沒有監控CPU運行的能力;積分復位電路簡單可靠,但由于對電源電壓波動不敏感,從而有可能出現CPU由于電源電壓的瞬間過低而造成工作不正常的情況;比較器復位電路電路較復雜,工作可靠;Watchdog復位電路電路較復雜,工作可靠并且具有監控CPU運行的能力。在使用中應根據電路板的空間、電源電壓特性、系統運行現場等情況,綜合考慮而定。般有以下幾條可供參考: |


