1 硬件電路設計(圖)
系統工作過程:
單片機AT89C51采集設備的各種信息,根據不同設備和傳感器,可以是壓力、流量、溫濕度、電壓、電流等,然后與預先存儲在單片機內的閾值比較,若超出正常范圍,則通過電話機撥號電路撥打維護人員的固定或移動電話,等待撥通后再控制ISD4004構成的數碼語音電路播放相對應的故障信息。維護人員聽到信息后根據故障優先級作相應處理。
1.1 語音電路
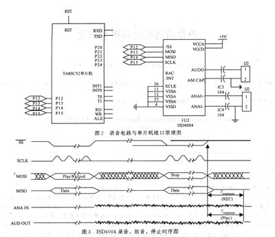
ISD4004語音芯片是由美國ISD公司推出的新產品,單片錄放語音時間8-16min,操作簡單,音質好。芯片內含振蕩器、防混濾波器;平滑濾波器、自動靜噪、音頻放大器及高密度多電平閃爍存貯陣列。芯片設計是基于所有操作必須由微控制器控制,操作命令通過串行通信接口(SPI或Microwire)送人。芯片采用多電平直接模擬量存貯技術,每個采樣值直接存貯在片內的閃爍存貯器中,因此能夠非常真實\自然地再現語音、音樂、音調和效果聲,避免了一般固體錄音電路固置化和壓縮造成的量化噪聲和金屬聲。
采樣頻率可為4.0,5.3,6.4,8.0kHz,頻率越低,錄放時間越長,而音質則有所下降,片內信息存于閃爍存貯器中,可在斷電情況下保存100年(典型值),反復錄音10萬次。
ISD4004與單片機連接較為簡單,單片機的P1.2~P1.4分別控制ISD4004的片選信號SS、串行輸入引腳MOSI、串行輸出引腳MISO及串行時鐘輸入。值得注意的是ISD4004供電電壓為3 V,需要專門的穩壓電路。同相模擬輸入(ANAIN+)和反相模擬輸入(ANAIN一)端最大輸入電平為16mV。音頻輸出可直接接人電話機受話器端代替麥克風。
ISD4004工作于SPI串行接口。SPI協議是一個同步串行數據傳輸協議,錄音、放音、停止時序圖
應用注意:
(1)電源(VCCA,VCCD)
為使噪聲最小,芯片的模擬和數字電路使用不同的電源總線,并分別引到外封裝的不同管腳上,模擬和數字電源端最好分別走線,盡可能靠近供電電源處相連,而去耦電容應盡量靠近器件。
(2)地線(VSSA,VSSD)
芯片內的模擬和數字電路也使用不同的地線。幾個VSSA盡量在引腳焊盤上相連,并用低阻通路連到電源圖上,VSSD也用低阻通路連到電源上。
(3)同相模擬輸入(ANAIN+)
這是錄音信號的同相輸入端。輸入放大器可用單端或差分驅動。
1.2 電話機與單片機接口電路
電話機電路與單片機AT89C51接口如圖4所示。單片機用于模擬撥打電話動作,摘機一撥號一通話一掛機。摘機動作利用雙組繼電器代替電話機叉簧完成,撥號利用單片機I/O口通過軟件控制話機按鍵電路完成,通話則是把語音電路信號輸出接人話機電路麥克風的輸入端,達到控制放音。
2 系統軟件設計
檢測電路程序因所連接設備而異,故不做介紹,重點介紹ISD4004錄放音程序和電話機撥號程序。
2.1 主程序
主程序完成對設備信息和數據的采集,并且與用戶設置的門限值比較,從而判斷設備是否有故障,若有故障則調用報警子程序即通過電話播放報警語音。
2.2 錄放音程序
錄放音程序主要是接收指令后通過SPI總線對ISD4004進行控制。需要注意的是系統在啟用前,要預先錄制報警語音,為了能靈活播放語音信息,報警語音是分段存放在ISD4004中的,播放時根據地址播放每段語音。播放時要根據每段錄音的長短做相應的延時。
3 結 語
上述系統利用單片機、語音電路和電話機完成了設備遠程語音報警功能,可以廣泛應用于油田、電信、電力等無人職守設備的故障報警。如果在系統中增加Modem,還可以完成遠程計算機監控功能。
芯片內的模擬和數字電路也使用不同的地線。幾個VSSA盡量在引腳焊盤上相連,并用低阻通路連到電源圖上,VSSD也用低阻通路連到電源上。
(3)同相模擬輸入(ANAIN+)
這是錄音信號的同相輸入端。輸入放大器可用單端或差分驅動。
1.2 電話機與單片機接口電路
電話機電路與單片機AT89C51接口如圖4所示。單片機用于模擬撥打電話動作,摘機一撥號一通話一掛機。摘機動作利用雙組繼電器代替電話機叉簧完成,撥號利用單片機I/O口通過軟件控制話機按鍵電路完成,通話則是把語音電路信號輸出接人話機電路麥克風的輸入端,達到控制放音。
2 系統軟件設計
單片機軟件流程圖如圖5和圖6所示,檢測電路程序因所連接設備而異,故不做介紹,重點介紹ISD4004錄放音程序和電話機撥號程序。
2.1 主程序
主程序完成對設備信息和數據的采集,并且與用戶設置的門限值比較,從而判斷設備是否有故障,若有故障則調用報警子程序即通過電話播放報警語音。
2.2 錄放音程序
錄放音程序主要是接收指令后通過SPI總線對ISD4004進行控制。需要注意的是系統在啟用前,要預先錄制報警語音,為了能靈活播放語音信息,報警語音是分段存放在ISD4004中的,播放時根據地址播放每段語音。播放時要根據每段錄音的長短做相應的延時。
3 結 語
上述系統利用單片機、語音電路和電話機完成了設備遠程語音報警功能,可以廣泛應用于油田、電信、電力等無人職守設備的故障報警。如果在系統中增加Modem,還可以完成遠程計算機監控功能。





