本節我們簡要的講一下單片機顯示的相關技術包括發光二極管,lcd,8段數碼管
1、什么是發光二極管
發光二極管在日常生活電器中無處不在,它能夠發光,有紅色、綠色和黃色等,有直徑3mm、5mm和2×5mm長方型的的。與普通二極管一樣,發光二極管也是由半導體材料制成的,也具有單向導電的性質,即只有接對極性才能發光。發光二極管符號比一般二極管多了兩個箭頭,示意能夠發光。通常發光二極管用來作電路工作狀態的指示,它比小燈泡的耗電低得多,而且壽命也長得多。用發光二極管,還可以構成電子顯示屏,證券交易所里的顯示屏就是由發光二極管點陣構成的,只是因為各種色彩都是由紅綠藍構成,而藍色發光二極管在以前還未大量生產出來,所以一般的電子顯示屏都不能顯示出真彩色。
發光二極管的發光顏色一般和它本身的顏色相同,但是近年來出現了透明色的發光管,它也能發出紅黃綠等顏色的光,只有通電了才能知道。 辨別發光二極管正負極的方法,有實驗法和目測法。實驗法就是通電看看能不能發光,若不能就是極性接錯或是發光管損壞。
注意發光二極管是一種電流型器件,雖然在它的兩端直接接上3V的電壓后能夠發光,但容易損壞,在實際使用中一定要串接限流電阻,工作電流根據型號不同一般為1mA到3OmA。另外,由于發光二極管的導通電壓一般為1.7V以上,所以一節1.5V的電池不能點亮發光二極管。同樣,一般萬用表的R×1檔到R×1K檔均不能測試發光二極管,而R×10K檔由于使用15V的電池,能把有的發光管點亮。
用眼睛來觀察發光二極管,可以發現內部的兩個電極一大一小。一般來說,電極較小、個頭較矮的一個是發光二極管的正極,電極較大的一個是它的負極。若是新買來的發光管,管腳較長的一個是正極。
這是發光二極管:
符號為:
。
下面來看看這個電路,當開關J1打開時,沒有電流流過發光二極管,發光二極管不亮。
當開關J1合上時,有電流流過發光二極管,發光二極管點亮。
LCD簡介
目前,市面主流LCD(液晶顯示器)分成以下幾大類:TN(扭曲陣列型)、STN(超扭曲陣列型)、DSTN(雙層超扭曲陣列)、HPA(高性能定址或快速DSTN)、TFT(薄膜場效應晶體管)等。由于成本因素,目前小家電大多數采用的是TN型單色液晶顯示器,它的原理是把液晶灌入兩個列有細槽的平面之間。這兩個平面上的槽互相垂直(相交成90°),也就是說,若一個平面上的分子南北向排列,則另一平面上的分子東西向排列,而位于兩個平面之間的分子被強迫進入一種90°扭轉的狀態。由于光線順著分子的排列方向傳播,所以光線經過液晶時也被扭轉90°。當液晶上加一個電壓時,分子便會重新垂直排列,使光線能直射出去,而不發生任何扭轉。LCD正是由這樣兩個相互垂直的極化濾光器構成的,所以在正常情況下應該阻斷所有試圖穿透的光線。但是,由于兩個濾光器之間充滿了扭曲液晶,所以在光線穿出第一個濾光器后,會被液晶分子扭轉90°,最后從第二個濾光器中穿出。另一方面,若為液晶加一個電壓,分子又會重新排列并完全平行,使光線不再扭轉,所以正好被第二個濾光器擋住?傊,加電將光線阻斷,不加電則使光線射出。LCD模型可以把其看成一個電容器,一個電極連接著公共極板,另一個連接著字符段。LCD受電壓的均方根值控制,當施加在LCD上的電壓為零時,LCD呈透明狀態。當施加在字符段與公共極的電壓大于LCD的閥值電壓,則該字符段就顯示出來。如果用直流驅動LCD,將會引起顯示單元永久性的損壞。為了防止不可逆轉的電化學反應使LCD損壞,加在所有字符段上的電壓必須周期性翻轉極性,以使加在字符段上的平均電壓為0。為了節約單片機I/O口線,采用多路復用的方法驅動LCD。
1、什么是數碼管LED
許多電子產品上都有跳動的數碼來指示電器的工作狀態,其實數碼管顯示的數碼均是由八個發光二極管構成的。每段上加上合適的電壓,該段就點亮。
LED數碼有共陽和共陰兩種,把這些LED發光二極管的正極接到一塊(一般是拼成一個8字加一個小數點)而作為一個引腳,就叫共陽的,相反的,就叫共陰的,那么應用時這個腳就分別的接VCC和GND。再把多個這樣的8字裝在一起就成了多位的數碼管了。
外形如下:

共陽型就是八個發光管的正極都連在一起 ,作為一條引線。
內部結構
共陰型就是七個發光管的負極都連在一起 ,作為一條引線。引腳圖
A~G段用于顯示數字,字符的筆畫,(dp顯示小數點),每一段控制A~G~dp的亮與來.
1. COM引腳連通,作為公用端
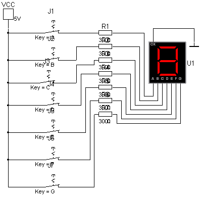
2. 分析下圖,請說明顯示0~9十個數字時,開關如何設置
合上用”1”表示,打開用”0”表示.開關設置狀態如下所示”:
| J1 | J2 | J3 | J4 | J5 | J6 | J7 | 顯示 |
| 1 | 1 | 1 | 1 | 1 | 1 | 0 | 0 |
| 0 | 1 | 1 | 0 | 0 | 0 | 0 | 1 |
| 1 | 1 | 0 | 1 | 1 | 1 | 1 | 2 |
| 1 | 1 | 1 | 1 | 0 | 0 | 1 | 3 |
| 0 | 1 | 1 | 1 | 1 | 1 | 1 | 4 |
| 1 | 0 | 1 | 1 | 0 | 1 | 1 | 5 |
| 0 | 0 | 1 | 1 | 1 | 1 | 1 | 6 |
| 1 | 1 | 1 | 0 | 0 | 0 | 0 | 7 |
| 1 | 1 | 1 | 1 | 1 | 1 | 1 | 8 |
| 1 | 1 | 1 | 1 | 0 | 1 | 1 | 9 |
