74HC241 是一款常見的驅動信號芯片,常用于各種單片機mcu系統中,單片機io口輸出的電流很小而241芯片就是用來放大電流,74hc241的pdf資料下載:http://m.raoushi.com/f/74hc244.pdf
74HC241 是CMOS電路,74ls241是雙極晶體管型電路,二者的特性差別很大,LS器件是淘汰型,盡量不要選用。
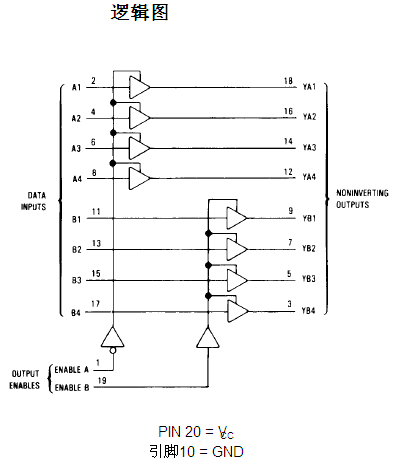
74HC240,74HC241,74HC244為同一系列的產品,他們的區別很小在引腳及其功能方面下面的中文資料中都有詳細的說明.
74hc240與74hc244,74hc241的管腳圖對比 可以看出他們的功能是十分接近,其中240多一個反相 的功能,74hc
244和74hc241引腳除19腳oe不同外(Output Enable:輸出使能,一個是高電平有效一個是低電平有效) 其他完全一樣.

74hc241封裝圖

74hc241真值表

74hc244及74hc241 74hc240功能表
DC Electrical Specifications直流電氣規格:
| Parameter 參數 | Symbol 符號 | TEST Conditions 測試條件 | 25℃ | -40℃TO85℃ | -55℃TO125℃ | UNIT 單位 | ||||||||
| VI (V) | IO (mA) | VCC (V) | 最小 | 典型 | 最大 | 最小 | 最大 | 最小 | 最大 | |||||
| High Level Input Voltage輸入高電平電壓 | VIH | - | - | 2 | 1.5 | - | - | 1.5 | - | 1.5 | - | V | ||
| 4.5 | 3.15 | - | - | 3.15 | - | 3.15 | - | V | ||||||
| 6 | 4.2 | - | - | 4.2 | - | 4.2 | - | V | ||||||
| LOW Level Input Voltage 輸入低電平電壓 | VIL | - | - | 2 | - | - | 0.5 | - | 0.5 | - | 0.5 | V | ||
| 4.5 | - | - | 1.35 | - | 1.35 | - | 1.35 | V | ||||||
| 6 | - | - | 1.8 | - | 1.8 | - | 1.8 | V | ||||||
| HIGH Level Output Voltage輸出高電平電壓 CMOS負載 | VOH | VIH or VIL | -0.02 | 2 | 1.9 | - | - | 1.9 | - | 1.9 | - | V | ||
| -0.02 | 4.5 | 4.4 | - | - | 4.4 | - | 4.4 | - | V | |||||
| -0.02 | 6 | 5.9 | - | - | 5.9 | - | 5.9 | - | V | |||||
| HIGH Level Output Voltage輸出高電平電壓 TTL負載 | -6 | 4.5 | 3.98 | - | - | 3.84 | - | 3.7 | - | V | ||||
| -7.8 | 6 | 5.48 | - | - | 5.34 | - | 5.2 | - | V | |||||
| Low Level Output Voltage 輸出低電平電壓 CMOS負載 | VOL | VIH or VIL | 0.02 | 2 | - | - | 0.1 | - | 0.1 | - | 0.1 | V | ||
| 0.02 | 4.5 | - | - | 0.1 | - | 0.1 | - | 0.1 | V | |||||
| 0.02 | 6 | - | - | 0.1 | - | 0.1 | - | 0.1 | V | |||||
| Low Level Output Voltage輸出低電平電壓 TTL負載 | 6 | 4.5 | - | - | 0.26 | - | 0.33 | - | 0.4 | V | ||||
| 7.8 | 6 | - | - | 0.26 | - | 0.33 | - | 0.4 | V | |||||
| Input Leakage Current輸入漏電流 | II | VCC or GND | - | 6 | - | - | ±0.1 | - | ±1 | - | ±1 | μA | ||
| Quiescent Device Current靜態電流 | ICC | VCC or GND | 0 | 6 | - | - | 8 | - | 80 | - | 160 | μA | ||
DC Electrical Specifications直流電氣規格(續)
| Parameter 參數 | Symbol 符號 | TEST Conditions 條件 | 25℃ | -40℃ TO 85℃ | -55℃ TO 125℃ | UNIT 單位 | |||||||||
| VI (V) | IO (mA) | VCC (V) | 最小 | 典型 | 最大 | 最小 | 最大 | 最小 | 最大 | ||||||
| Three-State Leakage Current三態泄漏電流 | IOZ | VIL or VIH | - | 6 | - | - | ±0.5 | - | ±0.5 | - | ±10 | μA | |||
| High Level Input Voltage輸入高電平電壓 | VIH | - | - | 4.5 to 5.5 | 2 | - | - | 2 | - | 2 | - | V | |||
| LOW Level Input Voltage 輸入低電平電壓 | VIL | - | - | 4.5 to 5.5 | - | - | 0.8 | - | 0.8 | - | 0.8 | V | |||
| HIGH Level Output Voltage輸出高電平電壓 CMOS 負載 | VOH | VIH or VIL | -0.02 | 4.5 | 4.4 | - | - | 4.4 | - | 4.4 | - | V | |||
| HIGH Level Output Voltage輸出高電平電壓 TTL負載 | -6 | 4.5 | 3.98 | - | - | 3.84 | - | 3.7 | - | V | |||||
| Low Level Output Voltage 輸出低電平電壓 CMOS負載 | VOL | VIH or VIL | 0.02 | 4.5 | - | - | 0.1 | - | 0.1 | - | 0.1 | V | |||
| Low Level Output Voltage 輸出低電平電壓TTL負載 | 6 | 4.5 | - | - | 0.26 | - | 0.33 | - | 0.4 | V | |||||
| Input Leakage Current輸入漏電流 | II | VCC to GND | 0 | 5.5 | - | - | ±0.1 | - | ±1 | - | ±1 | μA | |||
| Quiescent Device Current靜態電流 | ICC | VCC or GND | 0 | 5.5 | - | - | 8 | - | 80 | - | 160 | μA | |||
| Additional Quiescent Device Current Per Input Pin: 1 UNIT Load附加靜態目前的輸入引腳: 1單位負載 | ΔICC (Note 2) | VCC -2.1 | - | 4.5 to 5.5 | - | 100 | 360 | - | 450 | - | 490 | μA | |||
| Three-State Leakage Current三態泄漏電流 | IOZ | VIL or VIH | - | 5.5 | - | - | ±0.5 | - | ±5 | - | ±10 | μA | |||
Switching Specifications開關特性規格 CL = 50pF, Input tr, tf = 6ns
| Parameter 參數 | Symbol 符號 | TEST CONDI-TIONS | VCC (V) | 25℃ | -40℃ TO 85℃ | -55℃ TO 125℃ | UNIT 單位 | ||||||
| 最小 | 典型 | 最大 | 最小 | 典型 | 最大 | 最小 | 典型 | 最大 | |||||
| Propagation Delay傳播延遲 Data to Outputs 74HC240 | tPLH, tPHL | CL = 50pF | 2 | - | - | 100 | - | - | 125 | - | - | 150 | ns |
| 4.5 | - | - | 20 | - | - | 25 | - | - | 30 | ns | |||
| CL = 15pF | 5 | - | 8 | - | - | - | - | - | - | - | ns | ||
| CL = 50pF | 6 | - | - | 17 | - | - | 21 | - | - | 26 | ns | ||
| Data to Outputs數據輸出 74HC241 | tPLH, tPHL | CL = 50pF | 2 | - | - | 110 | - | - | 140 | - | - | 165 | ns |
| 4.5 | - | - | 22 | - | - | 28 | - | - | 33 | ns | |||
| CL = 15pF | 5 | - | 9 | - | - | - | - | - | - | - | ns | ||
| CL = 50pF | 6 | - | - | 19 | - | - | 24 | - | - | 28 | ns | ||
| Data to Outputs數據輸出 74HC244 | tPLH, tPHL | CL = 50pF | 2 | - | - | 110 | - | - | 140 | - | - | 165 | ns |
| 4.5 | - | - | 22 | - | - | 28 | - | - | 33 | ns | |||
| CL = 15pF | 5 | - | 9 | - | - | - | - | - | - | - | ns | ||
| CL = 50pF | 6 | - | - | 19 | - | - | 24 | - | - | 28 | ns | ||
| Output Enable and Disable Time輸出啟用和停用時間 | tTHL, tTLH | CL = 50pF | 2 | - | - | 150 | - | - | 190 | - | - | 225 | ns |
| 4.5 | - | - | 30 | - | - | 38 | - | - | 45 | ns | |||
| 5 | - | 12 | - | - | - | - | - | - | - | ns | |||
| 6 | - | - | 26 | - | - | 33 | - | - | 38 | ns | |||
| Output Transition Time輸出過渡時間 | tTLH, tTHL | CL = 50pF | 2 | - | - | 60 | - | - | 75 | - | - | 90 | ns |
| 4.5 | - | - | 12 | - | - | 15 | - | - | 18 | ns | |||
| 6 | - | - | 10 | - | - | 13 | - | - | 15 | ns | |||
| Input Capacitance輸入電容 | CI | CL = 50pF | - | 10 | - | 10 | - | - | 10 | - | - | 10 | pF |
| Three-State Output Capacitance三態輸出電容 | CO | CL = 50pF | - | - | - | 20 | - | - | 20 | - | - | 20 | pF |
| Power Dissipation Capacitance 功耗電容 | |||||||||||||
| 74HC240 | - | CL = 15pF | 5 | - | 38 | - | - | - | - | - | - | - | pF |
| 74HC241 | - | - | 5 | - | 34 | - | - | - | - | - | - | - | pF |
| 74HC244 | - | - | 5 | - | 46 | - | - | - | - | - | - | - | pF |
| HCT 類型 | |||||||||||||
| 數據輸出傳播延遲HCT240 | tPHL, tPLH | CL = 50pF | 4.5 | - | - | 22 | - | - | 28 | - | - | 33 | ns |
| CL = 15pF | 5 | - | 9 | - | - | - | - | - | - | - | ns | ||
| Data to Outputs 數據輸出HCT241 | tPHL, tPLH | CL = 50pF | 4.5 | - | - | 25 | - | - | 31 | - | - | 38 | ns |
| CL = 15pF | 5 | - | 10 | - | - | - | - | - | - | - | ns | ||
| Data to Outputs 數據輸出HCT244 | tPHL, tPLH | CL = 50pF | 4.5 | - | - | 25 | - | - | 31 | - | - | 38 | ns |
| CL = 15pF | 5 | - | 10 | - | - | - | - | - | - | - | ns | ||








