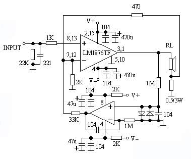
lm1876是常用的雙通道音頻功率放大電路簡稱功放,他的保真度很高,單一通道的功率能達到20瓦,下面介紹一個最簡單的lm1876功放電路以及lm1876引腳圖管腳功能資料等。
本放大電路設計為直流伺服恒流功放電路的形式,比電壓反饋式接法更為耐聽。出采用四線制,不允許有公共端。輸入線應該要用屏蔽線 ,以提高信噪比。電源內阻要小, 還要預留足夠的功率儲備,以防止大動態時出現過載失真與削頂失真.
電路的相關參數:
電源電壓 : ±20
通道分離度 :80dB
信噪比 :>98dB.
連續不失真功率 :2
總偕波失真〔 THD+N 〕
輸出電流 :3.5A
轉換速率 :18v/us
峰值功率 :62.5W
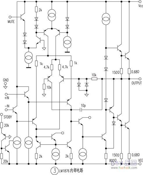
lm1876內部具有自動高溫保護、過壓保護、低壓保護、等保護電路,安全性很高電路不容易受到外界的干擾,保持很高的音質,還有啞音和閑置的功能,他的性能遠遠的超過了其它類似的功放集成塊,可應用于各種高保真立體聲的放大。



