max1480是常用的帶光電隔離的rs-485接口芯片,相對于max485來說使用起來非常穩定.

max1480引腳圖

max1480電路圖
上圖是一個標準的max1480和單片機接口的應用電路.
此芯片在市場上假貨很多,如需正 品請聯系qq125739409
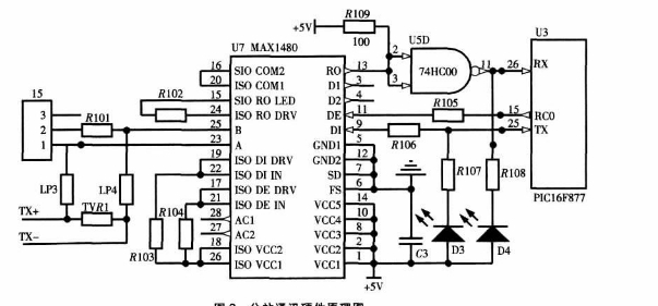
max1480是常用的帶光電隔離的rs-485接口芯片,相對于max485來說使用起來非常穩定.

max1480引腳圖

max1480電路圖
上圖是一個標準的max1480和單片機接口的應用電路.
此芯片在市場上假貨很多,如需正 品請聯系qq125739409