51單片機 初學入門 24小時必答區 STM32/8 ARM M3 AVR PIC MSP430 DSP Proteus仿真 Arduino 綜合區
單片機DIY制作 智能小車/機器人 智能家居 飛行器diy/多軸/航模 程序設計 資料共享
模擬數字 電子制作DIY 拆機樂園 PCB 電源 音響/功放 無線/紅外 儀器儀表 PLC Labview 業界動態
Protel Altium Designer Allegro orcad Pads/PowerPCB FPGA/CPLD Multisim仿真
Windows/CE 安卓 uCOS uCLinux
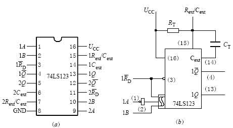
74LS123是常用的可重觸發單穩態觸發器,在各種數字電路和單片機系統的顯示系統中常用,接下來我就給大家介紹一下這個元件的一些參數與應用技術等資料。
74ls123引腳圖
74ls123功能表