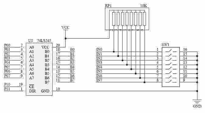
*74LS245是我們常用的芯片,用來驅動led或者其他的設備,用法很簡單如上圖,這里簡單的給出一些資料,他是8路同相三態雙向總線收發器,可雙向傳輸數據。
*74LS245還具有雙向三態功能,既可以輸出,也可以輸入數據。
*當8051單片機的P0口總線負載達到或超過P0最大負載能力時,必須接入74LS245等總線驅動器。
*當片選端/CE低電平有效時,DIR=“0”,信號由 B 向 A 傳輸;(接收)
*DIR=“1”,信號由 A 向 B 傳輸;(發送)當/CE為高電平時,A、B均為高阻態。

